lemon-mirror:
Home >> Kia >> 2010 >> Optima L4-2.4L >> Repair and Diagnosis >> Specifications >> Mechanical Specifications >> Engine >> Cylinder Head Assembly >> Components and Components Location

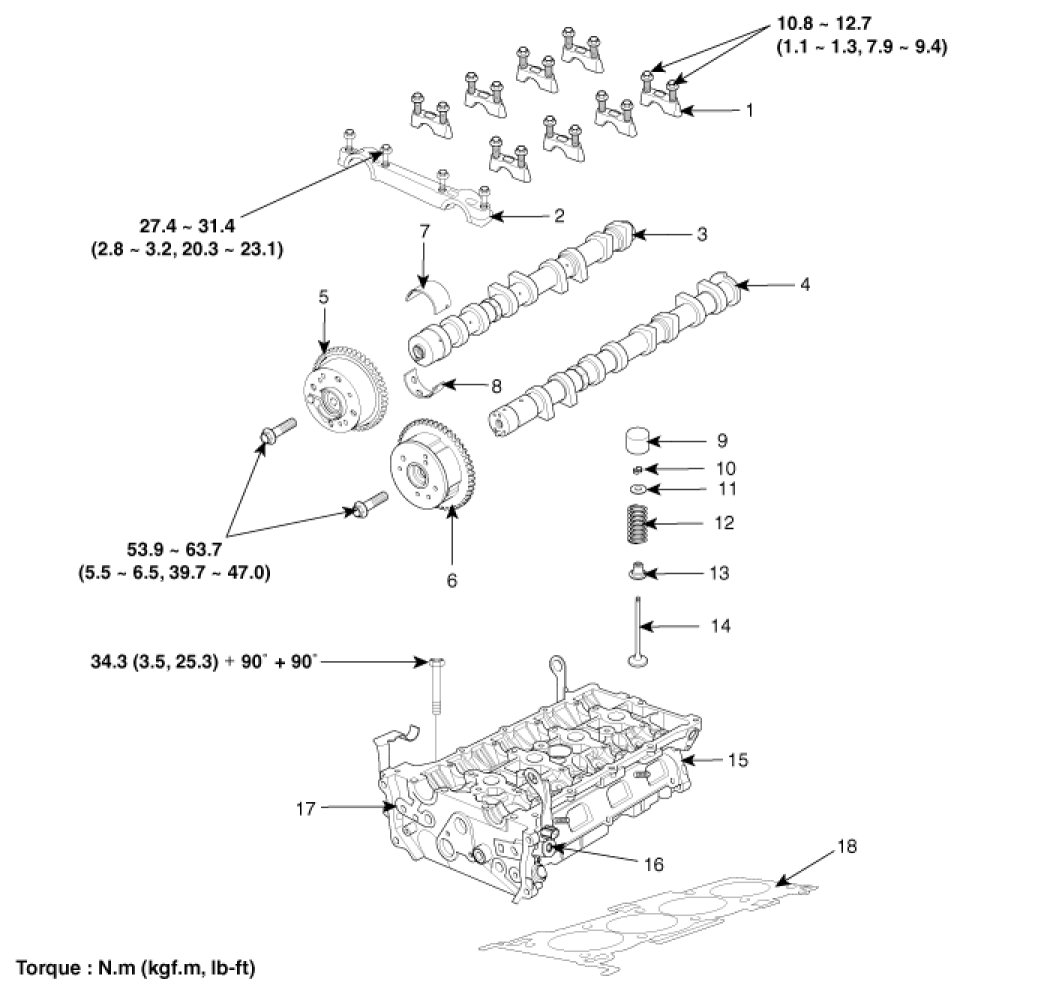
Components and Components Location





Components