lemon-mirror:
Home >> Kia >> 2010 >> Optima L4-2.4L >> Repair and Diagnosis >> Diagrams >> Exploded Views >> Engine >> System Diagram

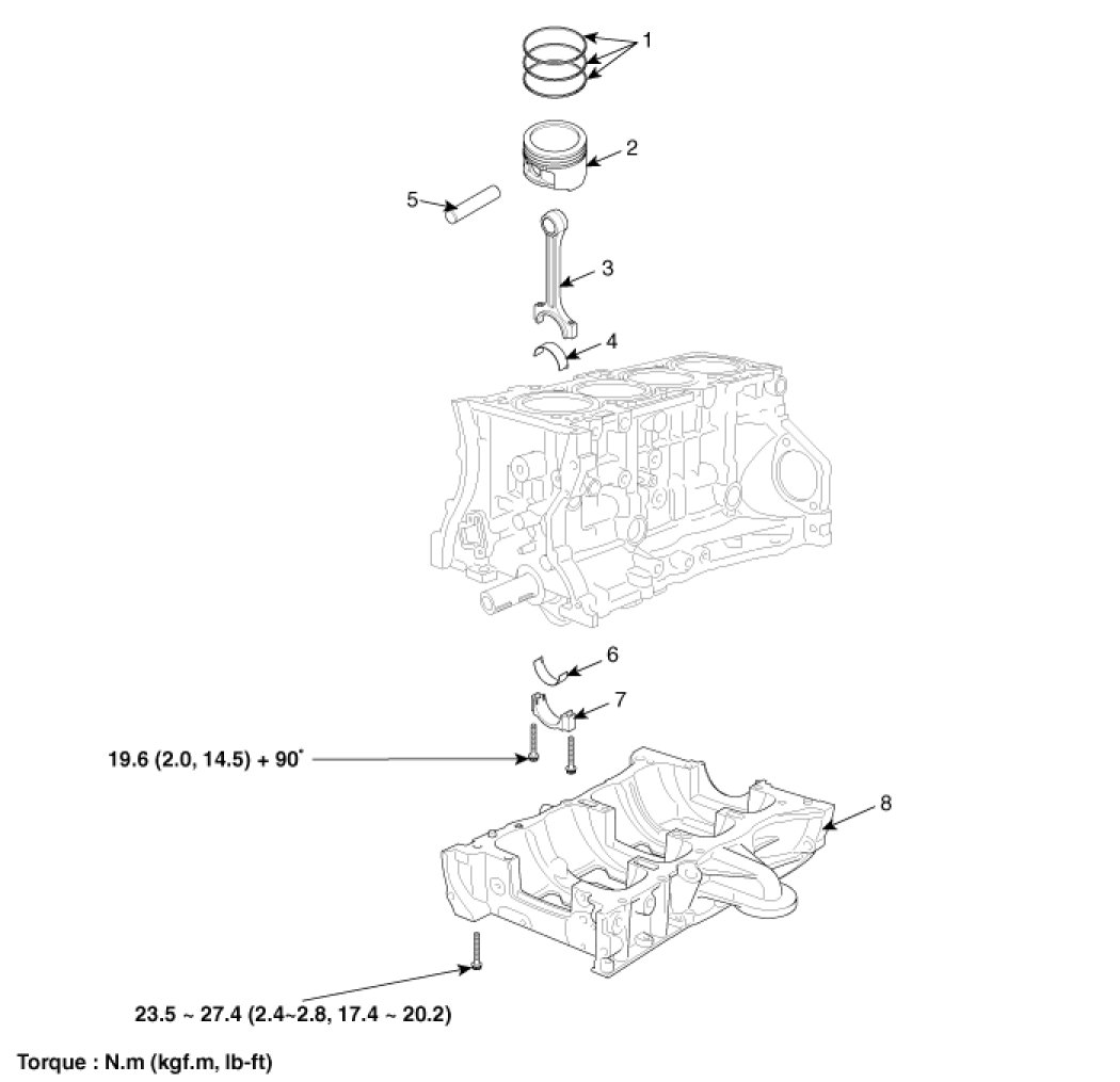
System Diagram





Components