lemon-mirror:
Home >> Kia >> 2010 >> Optima L4-2.4L >> Repair and Diagnosis >> Diagrams >> Connector Views >> Engine Control Module

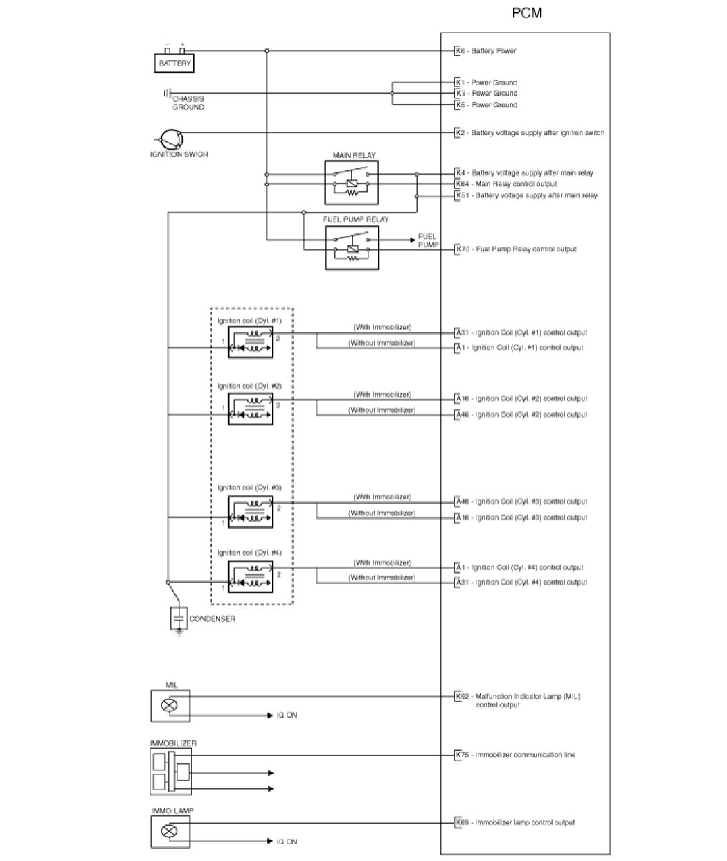
Engine Control Module





Powertrain control module (PCM)

1. PCM harness connector




2. PCM terminal function
Connector [C01-K]













Connector [C01-A]









3. Input / output signal
Connector [C01-K]





















Connector [C01-A]










Circuit diagram