lemon-mirror:
Home >> Kia >> 2009 >> Spectra L4-2.0L >> Repair and Diagnosis >> Powertrain Management >> Computers and Control Systems >> Body Control Module >> Description and Operation >> Body Control Module (BCM)

Body Control Module (BCM)





FUNCTION

1. TAIL LAMP AUTO CUT
(1) When the KEY is off and Driver side door is opened, TAIL LAMP turns automatically off.
(2) Also, in case the Driver's seat door opened and DOOR WARNING SW is off, the TAIL LAMP turns automatically off.
(3) After turned automatically off, TAIL LAMP turns on and AUTO CUT function cancels in case TAIL LAMP SW is ON after OFF.
(4) If the KEY is ON after the automatic turn-off, TAIL LAMP turns on and AUTO CUT function is canceled.




2. IGN KEY HOLE Lighting
(1) When driver's door is open, IGN key hole light should turn on.
When the driver's door is closed, IGN key hole light should be ON for 30 seconds before it turns itself off.
(2) When the passenger's door is opened, IGN KEY HOLE light should turn on.
When the passenger's door is closed, IGN KEY HOLE lights should turn on for 30 seconds before it turns itself off.
(3) Remember after checking steps 1 and 2, that as soon as IGN 1 SW is switched on, IGN key hole light should turn OFF immediately. (However, if you're in ARM MODE, IGN key hole lighting should be OFF.)




T1 : 30 ± 1.0 sec., T2 : 0 - 30 sec.
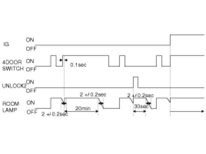
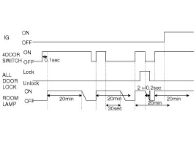
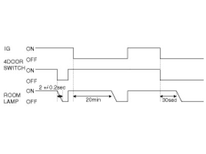
3. DECAYED ROOM LAMP
ROOM LAMP OFF STATE



















Room lamp ON for 30s state



















Room lamp ON for 20min state



















Room lamp Decaying state
























Room lamp ON state




















NOTE:
1. The flickering of lamp is not allowed even though IGN1 ON.
2. The resolution of DECAYED ROOM LAMP must be more then 32 steps.

4. CENTRAL DOOR LOCK / UNLOCK
(1) Central Door Lock Auto Logic





(2) When the battery is connected (When KNOB is LOCKed or UNLOCKed) there should be no LOCK output.
(3) When the knob SW of driver's seat (or passenger's seat) is unlocked on the 2-turn unlock vehicle, only the driver's seat (or passenger's seat) unlocked.
(4) Ignore the signal under 60msec.
(5) Refer to 2-turn unlock specification.
(6) When UNLOCK is input while outputting LOCK, immediately stop outputting LOCK or output UNLOCK after 100ms pause (and vice versa).
(7) When RKE LOCK signal is received, output LOCK for 0.5 seconds.
(8) When RKE UNLOCK signal is received, output UNLOCK for 0.5 seconds.
(9) When RKE LOCK signal is received, output LOCK ON irrespective of ALL DOOR state.




T1, T2 : 0.5 ± 0.1 sec.
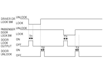
5. 2-TURN UNLOCK
(1) When the Driver Door unlocked with driver's seat KEY CYLINDER or RKE, only Driver Door is unlocked.
(2) When the driver's seat KEY or RKE unlock signal re-input within 5sec, rest of Doors are unlocked.
(3) After operating 1) and T1 and re-input UNLOCK signal, driver's seat door only unlocked.
(4) When using RKE to unlock, HAZARD LAMP is ON twice.
However, while outputting HAZARD twice, if RKE UNLOCK is re-input (OTHER DOOR UNLOCK), no HAZARD LAMP light.
(5) 2-TURN UNLOCK vehicle only unlocks the driver's seat door while KNOB SW unlocked.
(6) Other door lock specification is according to the CENTRAL DOOR LOCK / UNLOCKS specification.
(7) No Unlock output when unlock the door with passenger's door key switch.
(8) When the passenger's seat Key SW re-input within 5sec, all doors including driver's seat unlocked.
(9) When the passenger's key SW re-input, no Unlock output.




T1 : 4 ± 1 sec, T2 : 0.5 ± 0.1 sec.
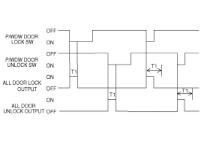
6. POWER WINDOW MAIN DOOR SW LOCK / UNLOCK
(1) When P/WDW MAIN DOOR SW LOCK is ON, all Door LOCK outputs for max. 0.5 seconds.
(However, RELAY output should be OFF immediately while MAIN SW LOCK is OFF within 0.5 sec.)
(2) When P/WDW MAIN DOOR SW UNLOCK is ON, all Door UNLOCK outputs for max. 0.5 seconds.
(However, RELAY output should be OFF immediately while MAIN SW UNLOCK is OFF within 0.5 sec.)
(3) Ignore the signal under 60msec.
(4) When UNLOCK is input while LOCK signal is outputting, stop outputting LOCK signal and output UNLOCK after 100ms pause (vice versa).




T1 : 0.5 ± 0.1 sec.
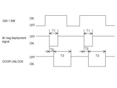
7. CRASH DOOR UNLOCK
(1) In case CRASH UNLOCK is input on IGN SW ON state, all the doors should be unlocked.
(2) This function has priority over all the door lock functions (when Crash Unlock is operating, Door Lock function is disable).
(3) After operating Crash Unlock function, if DRIVER or PASSENGER or REAR(RKE only) door is locked, all the doors unlocked for T3 seconds.




T1 : 100 ± 10ms, T2 : 40ms,
T3 : 5 ± 0.5 sec.
(4) If there is input from the airbag signal, there will be output unlock T3 time.
(5) The crash unlock function will not function if IGN SW is OFF and Airbag signal is ON.
(6) If crash unlock function is reset after IGN 1 SW OFF, central door locks are re-activated.




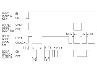
8. IGN KEY REMINDER
(1) Insert IGN KEY into the KEY CYLINDER, open the driver's seat door and passenger's seat door and press DOOR LOCK KNOB to lock the door. Confirm its reaction after one second. If the DOOR LOCK KNOB stays locked, press UNLOCK signal for three times for 0.5 seconds. (If the door warning switch is off before 0.5 seconds passes after door lock switch is pressed, the KEY reminder function will be cancelled.)
(2) If the is door closed or key is off while switching three times, the following output will be stopped.
(3) Confirm its' function by checking to see if it's locked and maintains its state.
If there's any changes of DOOR WARNING SW, driver's/passenger's seat DOOR SW, or DR/PS DOOR LOCK SW, RESET(UNLOCK) it.
(4) When the door is opened and key inserted when it is on the LOCK state, UNLOCK should be the output.
(However, there's no output when the key is inserted after unlocking the driver's seat on 2 TURN UNLOCK vehicle.)
(5) If In side 0.5 sec DOOR LOCK SW became LOCK form DOOR(DR or PASSENGER) Open -> Close at IGN KEY IN state, output UNLOCK for 1sec.
(6) When P/WDW MAIN DOOR SW is LOCKed, lock it for 0.5 seconds and output UNLOCK signal immediately.
(DOOR WARING SW = KEYLESS SW)




T1 : 0.5sec, T2 : 1sec,
T3 : 0 sec < T3 < 0.5sec.
9. SEAT BELT REMINDER
(1) When the seat belt is not fastened and IGN1 ON, seat belt warning light blink for the period of 0.6 seconds and warning sounds for the period of 1 seconds should be output.
(when a point of ALT "L" ON time, start the ALT L 6 seconds warning lamp)
(2) Seat belt warning sound and lamp output should turn OFF immediately while IGN1 is OFF within time (Bulb check should stop 6 seconds of driver indicator blinking)
(3) When the seat belt is fastened and IGN ON, start bulb check within 6 seconds of driver's seat belt indicator blinking. (if ALT "L" is ON, start ALT "L" 6 seconds indicator blinking)
(4) On the act (3), if IGN OFF, stop the check 6 seconds after driver indicator.
(5) After IGN1 ON, If the seat belt is fastened, warning lamp stops within 6 seconds.
(6) At the IGN ON state and seatbelt not fastened, warning lamp starts the 6 seconds.
(7) When the IGN1 and seatbelt is not fastened, if ALT ON from OFF, start ALT "L" 6 seconds indicator.
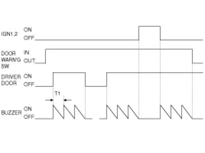
10. KEY OPERATED WARNING (BUZZER applying specification)
(1) When the driver's door is opened with IGN OFF and IGN KEY inserted in KEY CYLINDER (DOOR WARNING SW ON), BUZZER output occurs as 0.7 seconds cycle DUTY 50%.
(2) If IGN KEY pulled out from KEY CYLINDER or the driver's door closed, the output immediately stops.




T1 : 0.7sec.
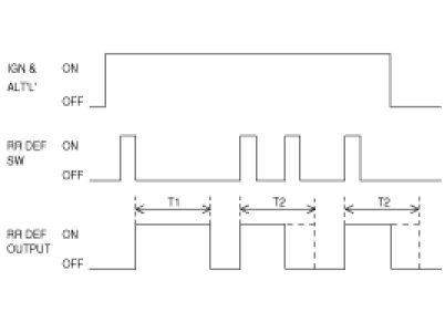
11. REAR DEFOGGER TIMER
(1) Rear Defogger Timer
A. On the ALT "L" ON state, switch on the DEFOG SW to output DEFOG for 20 minutes.
B. While monitoring DEFOG, turn off the switch if DEFOG SW is ON again.
C. While monitoring DEFOG, turn off the output if ALT "L" terminal is OFF.




T1 : 60±10ms, T2 : 20±1min.
12. POWER WINDOW TIMER
(1) When the IGN2 switch is ON, turn on the POWER WINDOW output.
(2) When IGN2 SW is OFF, maintain the output for 30 seconds, then the switch turns off.
(3) Step 2), as soon as the driver's or passenger's door is open, the POWER WINDOW TIMER output will stop at once.




T1 : 30 ± 3sec.
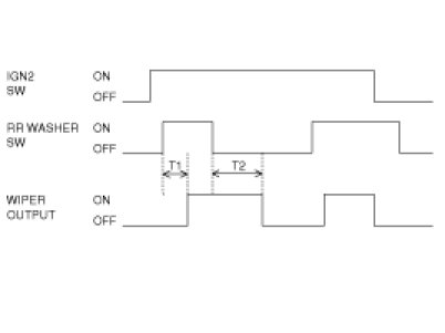
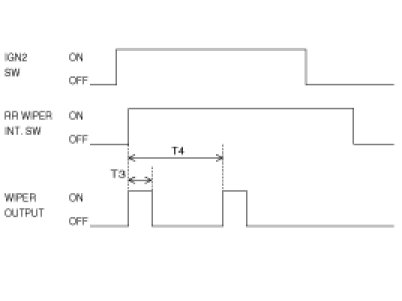
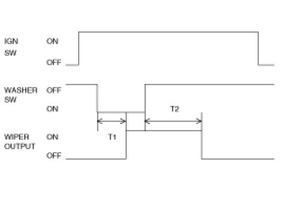
13. REAR WIPER & WASHER Control
(1) When IGN2 SW is ON, switch on the RR WASHER to output REAR WIPER after 0.3 seconds.
(2) After WASHER SW is OFF, output the REAR WIPER during the T2.
(WIPER 2 - 3 times operation time).
(3) When the WASHER SW is off within T1, output WIPER for T2 time at T1.




T1 : 0.3±0.1sec., T2 : 2.5 - 3.8sec.
(4) On the state of IGN2 SW ON, turn on the RR WIPER output for T3 when RR WIPER INT SW is ON.




T3 : 0.7±0.1sec., T4 : 5±0.5sec.
(5) Ignore the signal under 60msec.
14. FRONT WASHER GEARED WIPER
(1) Switch on the WASHER when IGN switch is ON, start and stop WIPER after T2 sec (2.5-3.8sec) and stop WIPER.
(2) Washer GEARED WIPER operation is priority while operating INT WIPER.
(3) Ignore the WASHER SW input when IGN1 is ON and IGN2 is OFF.
(4) Even if the WASHER SW is OFF within T1, output WIPER at T1 for T2.
(5) Ignore the signal under 60msec.




T1 : 0.3±0.1sec., T2 : 2.5 - 3.8sec.
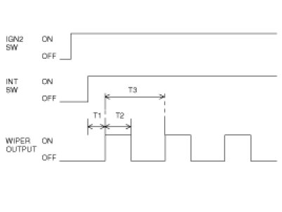
15. VARIABLE INTERMITTENT WIPER
(1) If INT SW is on when IGN2 SW is ON, INT WIPER is occasionally operating by the set value of INT VOLUME.
(2) If the INT SW is ON, WIPER output should be ON when IGN is ON.




T1 : MAX 0.3 sec., T2 : 0.7 ± 0.1 sec.,
T3 : 2.2 ± 0.2 sec. (at VR=0 kOhms)
10.0 ± 1.0 sec. (at VR=50 kOhms)





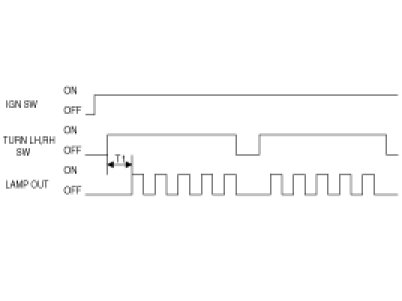
16. FLASHER UNIT
(1) On the IGN1 SW ON state, switch on the TURN Signal LH (or RH) to flicker the LH (or RH) LAMP 85 times per minute.
(2) Switch on the HAZARD on the B+ state, flicker the hazard lamp 85 times per minute.
(3) When the hazard lamp is disconnected on the TURN state, flicker 120 times per minute.




T1 : MAX 0.1sec., T/SIG : 85±10 C/M,
HAZARD : 85±10 C/M
17. DAYTIME RUNNING LAMPS CONTROL
(1) If PARKING BRAKE SW is OFF (RELEASED) on the ALT "L" ON state, output DRL (HEAD LAMP HI sensitization).
(2) When ALT "L" is OFF or PARKING BRAKE SW is ON, the output is off.
(3) When HEAD LAMP SW is ON, the DRL output is off.




18. HORN ANSWER BACK
(1) When the doors are closed, the TLOCK receive a signal from the TLOCK controlled alarming mode to T1, and the B/HORN for T2 if the alarming mode is maintained.




T1 : within 4 sec, T2 : 90ms

NOTE:
Do not indicate DOOR LOCK output and HAZARD output .
*1 OPEN : 4DOOR = OPEN or T/GATE = OPEN or HOOD = OPEN
CLOSE : 4DOOR = CLOSE & T/GATE = CLOSE & HOOD = CLOSE