lemon-mirror:
Home >> Kia >> 2009 >> Spectra L4-2.0L >> Repair and Diagnosis >> Diagrams >> Exploded Views >> Engine >> Intake Manifold

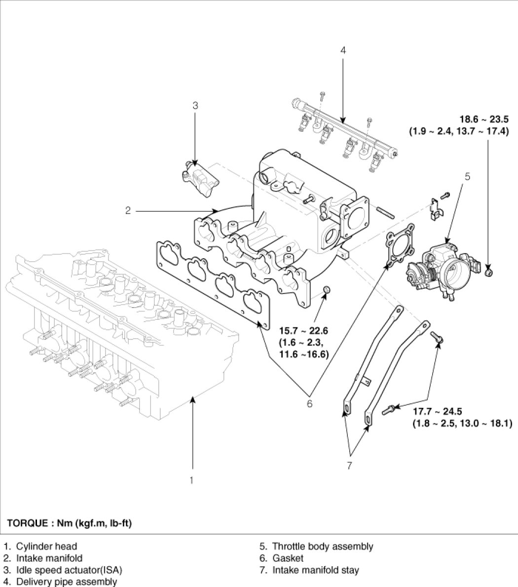
Intake Manifold








COMPONENTS