lemon-mirror:
Home >> Kia >> 2009 >> Spectra L4-2.0L >> Repair and Diagnosis >> Body and Frame >> Locks >> Keyless Entry >> Keyless Entry Receiver >> Description and Operation

Keyless Entry Receiver: Description and Operation








FUNCTIONS

ANTI-THEFT FUNCTION
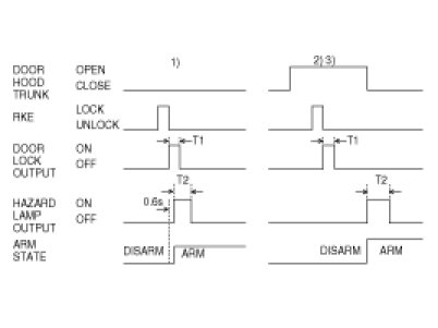
1. ARM Function
(1) When using LOCK on the RKE (Remote Keyless Entry) the doors will lock, the hazard lamp will blink once within 0.06 seconds (MAX 0.06seconds) and the Anti-Theft System will ARM, if the following conditions have been met.
A. The ignition key is removed from the ignition switch.
B. All entry points are closed (doors, trunk, hood)
(2) If either the door, trunk or hood are open when activating LOCK using the RKE, the doors will lock, however the hazard lamp WILL NOT flash and the Anti-Theft System WILL NOT ARM.
(3) In Step 2) if the opened entry points are subsequently closed… the door will lock, the hazard lamp will blink once and the Anti-Theft System will ARM.
(4) If LOCK is activated on the RKE while the Anti-Theft system is already in the ARM mode, the hazard lamp will blink once.(If, however, any of the vehicle entry points is unlocked the Anti-Theft System will lock the door, the hazard lamp will blink once, and the system will re-ARM itself.
(5) The ARM mode of the Anti-Theft System can only be set using the LOCK feature of the RKE. The door key WILL NOT arm the Anti-theft System.
(6) Once the ignition key is IN (inserted into the ignition switch) and the ignition is turned to the ON position the Anti-Theft system will immediately DISARM.
(7) If the UNLOCK signal is sent by the RKE, and either the ignition key is not inserted or entry (door, trunk, hood) to the vehicle is not made within 30 seconds, the LOCK mode will be automatically reset, the hazard lamps will blink, and the Anti-Theft System will rearm. (Key IN = Key Insertion)
(Provided that there is no automatic lock function at a period of 30 seconds, when the UNLOCK is done by the RKE with an entry being open).
(8) In steps 7), when UNLOCK is activated within the initial 30 seconds, another period of 30 seconds occurs.
(9) Automatic lock WILL NOT function if an entry point is opened within 30 seconds of activating UNLOCK.
(10) Once the 30 seconds have passed, after the initial UNLOCK, the Anti-Theft System will lock the doors, blink the hazard lamps and then ARM.




T1 : 0.5 sec,
T2 : 1.0 ± 0.1 sec
2. DISARM Function
(1) When UNLOCK is pressed on the RKE (Remote Keyless Entry control) the ANTI-Theft System will DISARM, the hazard lamps blink 2 times and the doors unlock
(Whether entry points are Open or Closed is irrelevant)
(2) In DISARM mode, the ALARM and start inhibitor do not function.
(3) When repeating UNLOCK on the RKE, the hazard lamps blink 2 times and the doors unlock.
(4) When the doors UNLOCK switch is on, the ANTI-Theft system is in DISARM mode and the doors are unlocked, however the hazard lamps do not blink




T1 : 0.5 sec,
T2 : 1.0 ± 0.1 sec,
T3 : 30 sec
3. ALARM Function
(1) When a point of entry is opened while the Anti-Theft System is in the ARM mode, the hazard lamp and horn alarm will activate (ON/OFF 3 times each) for a period of 27 seconds.
(2) Output intervals for the horn alarm and hazard lamps are identical.
(3) The alarm sequence, when activated will continue for the duration of the alarm period even when the entry point is closed.
(The alarm will reactivate if entry port is reopened after the initial alarm sequence completes.)




T1 : 27 - 30 sec,
T2 : 10 - 13 sec,
T3 : 0.5 ± 0.1 sec
4. New alarm condition during active alarm activation
(1) If a new alarm condition occurs during the initial alarm sequence, the start inhibitor will remain on and only the horn alarm will continue.
(The alarm will continue even if the point of entry is closed.)




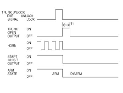
5. Activating RKE Trunk OPEN during an alarm sequence.
(1) If the RKE Trunk OPEN is activated during an alarm sequence the trunk will open and the Anti-Theft system will DISARM. The horn, hazard lamps and start inhibitor will be off).




T1 : 0.5 sec
6. Remote control is UNLOCKED / Key is UNLOCKED during the alarm
(1) If a remote UNLOCK occurs during an alarm sequence, UNLOCK will activate, the hazard lamp will blink 2 times, and then Anti-Theft system will DISARM.
The horn, hazard lamp, and start inhibitor will be off.
(2) If a key UNLOCK occurs during an alarm sequence, the Anti-Theft system will DISARM. The horn, hazard lamp, and start inhibitor will be off.
(3) When trunk key UNLOCK occurs, the horn, hazard lamp and start inhibitor will be off, however alarm on hold mode is on and the ARM state for other entry ports remains activated. (If the trunk is closed and remains closed for more than 2 seconds, a door lock check will occur and the Anti-Theft system will ARM. Also, if any door is unlocked a LOCK sequence will occur.)




T1 : 0.5 sec
7. RKE controlled LOCK during an alarm sequence
(1) When a RKE (Remote Keyless Entry) controlled LOCK occurs during an alarm sequence, but after the door, that had been broken-in, has been closed the following occurs:
A. All entry points are checked and then LOCK occurs
B. Horn alarm and start inhibitor are set to off
C. Hazard lamp blinks once
D. Anti-Theft system is set to ARM
(2) When a RKE controlled LOCK occurs during an alarm sequence, but the broken-in door remains opened the following occurs :
A. All entry points are checked and then LOCK occurs
B. Horn alarm and start inhibitor are set to off
(If the door is then closed the hazard lamp will blink once and the Anti-Theft system will ARM)




T1 : 0.5 sec,
(3) T2 : 1.0 ± 0.1 sec
8. New condition occurs after an alarm
(1) When all the doors are opened and UNLOCKed after the doors were closed and LOCKed after an alarm, the horn alarm, hazard lamps and start inhibitor will engage again.




T1 : 27 - 30 sec
T2 : 10 - 13 sec
T3 : 0.5 ± 0.1 sec
(2) If an alarm occurs due to an open point of entry, and then an unaffected door is opened, the start inhibitor will remain ON, but the horn alarm will not restart.




T1 : 27 - 30 sec,
T2 : 10 - 13 sec,
T3 : 0.5 ± 0.1 sec
9. ALARM CLEARANCE
(1) When choosing LOCK on the RKE (Remote Keyless Entry) either during or after alarm activation, the alarm is cleared.
(2) When choosing UNLOCK on the RKE either during or after alarm activation, the alarm is cleared.
(3) When choosing TRUNK OPEN on the RKE either during or after alarm activation, the alarm is cleared.
(4) When using key UNLOCK either during or after alarm activation, the alarm is cleared.
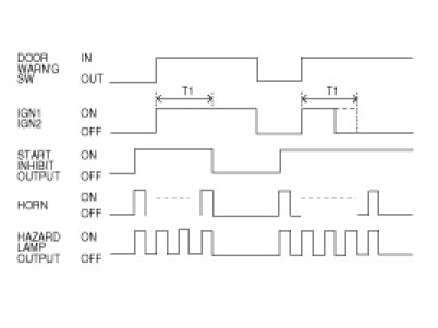
(5) If the ignition key is turned to ON for 30 seconds either during or after alarm activation the alarm will be cleared and the start inhibitor reset.
(6) If during an alarm sequence the ignition key is turned ON and then OFF within 30 seconds, the alarm will continue. See 5)




T1 : 30 ± 3 sec
10. Battery separation
(1) When the battery is reconnected after having been disconnected/removed while in ARM mode. ARM mode continues.
(2) When the battery is reconnected after having been disconnected/removed, and after the alarm completes, the alarm will restart.
(3) When battery is reconnected after having been disconnected/removed during an active alarm, the alarm sequence will restart from the beginning.




11. Unlocking with the key
(1) When the trunk is opened using the trunk UNLOCK switch during ARM mode, the alarm is set to hold. The door and hood shall remain in ARM mode.
(2) When the trunk is closed following Step 1) and it remains closed for more than 2 seconds, all door locks are checked and ARM mode is reset. (If any door is unlocked during lock check, all doors will lock.).
(3) Unlocking the driver and the assist door with the key, the DISARM mode shall be on




T1 : 2 sec
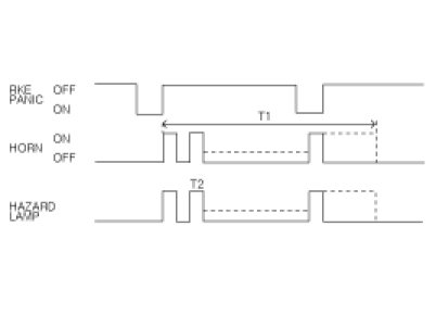
12. PANIC
(1) If PANIC on the RKE (Remote Keyless Entry) is activated while in ARM mode, alarm activation will be set to hold for 27 seconds. If during the 27 seconds someone breaks in, PANIC mode is cleared and the alarm activates.
(2) When PANIC on the RKE is activated while in DISARM mode, the horn alarm and hazard lamps will activate for 27 seconds.
(3) If LOCK, UNLOCK, TRUNK OPEN, or PANIC is activated on the RKE control during Steps 1) or 2), PANIC mode will be cleared.
(4) When a PANIC signal is received during or after an alarm, the alarm turns OFF, the start inhibitor is set to OFF, and panic mode is set to ON.
(5) PANIC mode will not start if the ignition key is IN or ON even if a PANIC signal is received.
(6) PANIC mode operates independently from entry points (door, hood, trunk) being opened or closed.




T1 : 27 ± 2 sec,
T2 : 0.5 ± 0.1 sec (Duty 50%)