lemon-mirror:
Home >> Kia >> 2009 >> Spectra L4-2.0L >> Repair and Diagnosis >> Body and Frame >> Body Control Systems >> Body Control Module >> Testing and Inspection

Body Control Module: Testing and Inspection








INSPECTION

Verify each components operation using related timing charts.
1. TAIL LAMP AUTO CUT
(1) With the tail lamp switched ON, if the ignition
Is switched OFF and the driver's door opened, the tail lamp should be automatically turned OFF.
(2) With the ignition switch ON, if the driver's door is opened and the ignition is switched to OFF, the tail lamp should be automatically turned OFF.
(3) When the tail lamp is cut automatically and the tail lamp switch is turned OFF and ON, the tail lamp illuminates and auto cut function is cancelled.
(4) When the tail lamp is cut automatically and the ignition key is inserted, the tail lamp illuminates and auto cut function is canceled.




2. IGNITION KEYHOLE ILLUMINATION
(1) Ignition keyhole illumination is turned ON when the driver or passenger door is opened.
(2) The "ON" state for ignition keyhole illumination is delayed 10 seconds when the door is closed as in Step 1).
(3) Ignition keyhole illumination is turned off if the ignition switch is turned ON as in Step 1) & 2).
(4) Ignition keyhole illumination is turned off if ARM state is entered. See Steps 1) & 2).




T1 : 10 ± 1 sec,
T2 : 0 - 10 sec
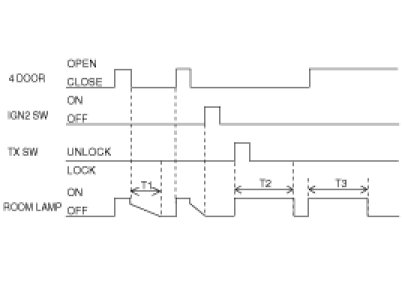
3. DECAYED ROOM LAMP & KEYLESS UNLOCK TIMER
(1) When the first door is opened, the dome light brightens. When the last door is closed, the dome light drops to 75% intensity and then fades out within 5-6 seconds.
(2) If a door switch is ON for less than 0.1 sec., then illumination does not occur.
(3) Fade resolution occurs over 32 steps.
(4) The room lamp must not flicker during fade operation, if the ignition is switched ON.
(5) When keyless UNLOCK activates with the door closed, the dome light is turned ON, then fades to OFF after about 30 seconds. If another While the dome light is ON due to keyless UNLOCK. If another UNLOCK signal is received, the dome light will turn ON once more for 30 seconds.
If the door is opened while the dome light is ON, the light will stay ON. If the door is closed the dome light drops to 75% intensity and then fades out within 5-6 seconds. If keyless LOCK (ARM state) is received during fade out, the room lamp is switched off immediately.




T1 : 5.5 ± 1 sec,
T2 : 30 ± 5 sec,
T3 : 20 ± 1 min.
4. CENTRAL DOOR LOCK/UNLOCK
(1) Central door lock/unlock




(2) When UNLOCK is input during LOCK output, the LOCK output stops immediately and the UNLOCK output continues. (vice versa)
(3) When the LOCK/UNLOCK signal is received by the remote control, the LOCK/UNLOCK output continues for 0.5 seconds.
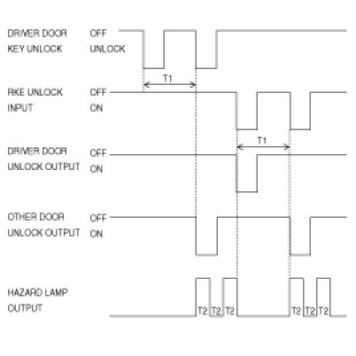
5. TWO TURN UNLOCK
(1) When unlocking the driver door using the driver door key or RKE, only the driver door is unlocked.
(2) After Step 1), when the driver key or RKE UNLOCK signal is input again, within 3.0 seconds, the rest of doors will UNLOCK.
(3) After Step 1) when the UNLOCK signal is input, after 3.0 seconds, then only the driver door UNLOCK.
(4) With the RKE UNLOCK, the hazard lamp goes ON twice. If the RKE UNLOCK is input again (a different door UNLOCK) the hazard lamp output cannot be renewed.
(5) When unlocked by the driver knob switch, only the driver UNLOCK is done.
(6) The specifications for door LOCKS shall conform to the central door LOCK/UNLOCK specification.
(7) When doing the assist door UNLOCK using the assist door key, only the assist door key UNLOCK is done.
(8) After Step 7), the use of an assist door key a second time within 3.0 seconds will activate UNLOCK for all the doors including the driver door.
(9) After Step 7), the use of an assist door switch a second time after 3.0 seconds will not cause UNLOCK to activate.




T1 : 3.0 ± 0.5 sec,
T2 : 0.5 ± 0.1 sec.
6. POWER WINDOW MAIN DOOR SWITCH LOCK/UNLOCK
(1) When using the power window main door switch LOCK/ UNLOCK ON, all doors will LOCK/ UNLOCK within a maximum period of 0.5 seconds.
(Provided that if main switch LOCK is OFF within 0.5 seconds, relay output is OFF right after.)
(2) When using UNLOCK input during an active LOCK action, the UNLOCK output will be made right after the LOCK completes. (Vice versa)




T1 : 0.5 ± 0.1 sec.
7. CRASH DOOR UNLOCK
(1) With ignition turned ON, if the air bag deploys, a crash signal is received and simultaneously sends an unlock output to all doors.
(2) After unlock signal, if lock is set, unlock pulse is output again for 5 seconds period.




T1 : 100 msec,
T2 : 40 msec,
T3 : 5 ± 0.5 sec.
8. IGNITION KEY REMINDER
(1) If the key is in the ignition, with either the driver's door or assist door open, and then the vehicle is locked using the driver's knob or assist knob, the central locking system will issue an unlock pulse (1 sec. duration) to all doors preventing locking of the vehicle. (When a knob remains locked, if the switch in the actuator is not changed, the central locking will issue 1 pulse (1 sec. duration) and then 3 pulses (0.5 sec.) to unlock the vehicle.)




T1 : 0.5 sec,
T2 : 1.0 sec,
T3 : 0 sec. < T3 < 0.5 sec.
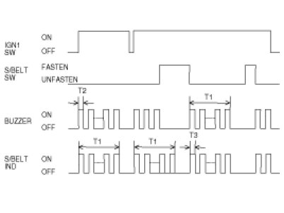
9. SEAT BELT WARNING TIMER
(1) When the ignition is switched ON, the seat belt warning indicator will illuminate (period: 1.0 sec., duty rate : 50%) and the chime bell will sound (period: 1.0 sec., duty rate : 50%) for total of 6 seconds.
(2) If the ignition is switched off while the seat belt warning indicator and chime bell are active (Step 1) the indicator and chime bell will be switched OFF. If the seat belt is sensed as fastened during indicator and chime bell output, the chime bell will switch OFF however the seat belt warning indicator will stay illuminated for the remaining seconds.
(3) If the seat belt is removed, with the ignition switched ON, the seat belt warning indicator and chime bell will activate for 6 seconds.




T1 : 6 ± 1,
T2 : 0.5 ± 0.1 sec,
T3 : 0.5 ± 0.1 sec.
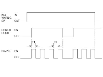
10. KEY OPERATED WARNING
(1) If the key is in the ignition and the driver's door is opened, the buzzer is sounded (period : 1.0 sec., duty rate : 50%).
(2) If the ignition key is removed, or the door is closed, the buzzer is switched OFF immediately.




T1, T2 : 0.5 ± 0.1 sec.
11. DEFOGGER TIMER
(1) Once ALT "L" is ON, if the defogger is switched ON, the defogger will stay ON for 20 minutes duration.
(2) If defogger switch is pressed again (see Step 1), or if ignition is switched OFF, the defogger will shut OFF.




T1 : 0.06 ± 0.01 sec,
T2 : 20 ± 1 min.
12. POWER WINDOW TIMER
(1) When the ignition is switched OFF, power window output remains ON for 30 seconds and then turns OFF.
(2) Related to Step 1), if the driver's door or assist door is opened, window power output is turned OFF immediately.
(3) When the driver's door or assist door is opened, the power window relay output is turned OFF immediately.




T1 : 30 ± 3 sec.
13. REAR WIPER AND WASHER (5 DOOR)
(1) If rear washer switch is turned on while the ignition switch is ON, rear wiper output will turn ON after 0.3 sec.
(2) If rear washer switch is turned OFF, rear wiper output remains ON for up to 3.8 sec.(T2).
(3) If rear washer switch is turned OFF within 0.3 sec.(T1), rear wiper output will remain ON for up to 3.8 sec. (T2).




T1 : 0.3 ± 0.1 sec,
T2 : 2.5 - 3.8 sec.
(4) When the ignition switch is ON, if the intermittent rear wiper switch is turned ON, rear wiper output will remain ON for up to 0.7 sec. (T3).




T3 : 0.7 ± 0.1 sec,
T4 : 5 ± 0.5 sec.
14. WIPER RELATED TO WASHER
(1) When the ignition switch is turned ON :
A. If washer switch is turned on, wiper output is ON after 0.3 sec. (T1)
B. If washer switch is turned OFF, wiper output is OFF after 3.8 sec. (T2)
(2) If the washer switch is turned OFF within 0.3 sec.(T1) of the ignition switch the wiper will remain ON for up to 3.8 sec.(T2).




T1 : 0.3 ± 0.1 sec,
T2 : 2.5 - 3.8 sec.
15. VARIABLE INTERMITTENT WIPER (WINDSHIELD WIPER)
(1) With the ignition switch ON, if the intermittent wiper switch is turned on, wiper output is ON according to the setting.
(2) When the intermittent wiper switch is ON, if the ignition switch is turned ON wiper output is ON.




T1 : MAX 0.3 sec,
T2 : 0.7 ± 0.1 sec,
T3 : 2.2 ± 0.2 sec. (FAST), T3 : 10.0 ± 1.0 sec.(SLOW)
16. FLASHER UNIT
(1) With the ignition switch ON, if the turn signal (Left or right) is switched on, turn signal output (85 cycle/min.) is ON.
(2) When the battery is ON and the hazard switch on, turn signal output (85 cycle/min) is ON.
(3) When one of the front or rear turn signal lamps is broken, the turn signal will blink at double frequency.
Period : More than 120 cycle/min




T1 : MAX 0.3 sec.
17. DAYTIME RUNNING LIGHT CONTROL (FOR CANADA)
(1) When the ALT "L" is ON and the parking brake is released, headlamp low relay and tail lamp relay output is ON.
(2) If ALT "L" is OFF or the parking brake switch is ON, all output is OFF.
(3) If the headlamp switch is ON, headlamp output is OFF.