lemon-mirror:
Home >> Kia >> 2009 >> Sedona V6-3.8L >> Repair and Diagnosis >> Diagrams >> Electrical Diagrams >> Powertrain Management >> Engine Control Module

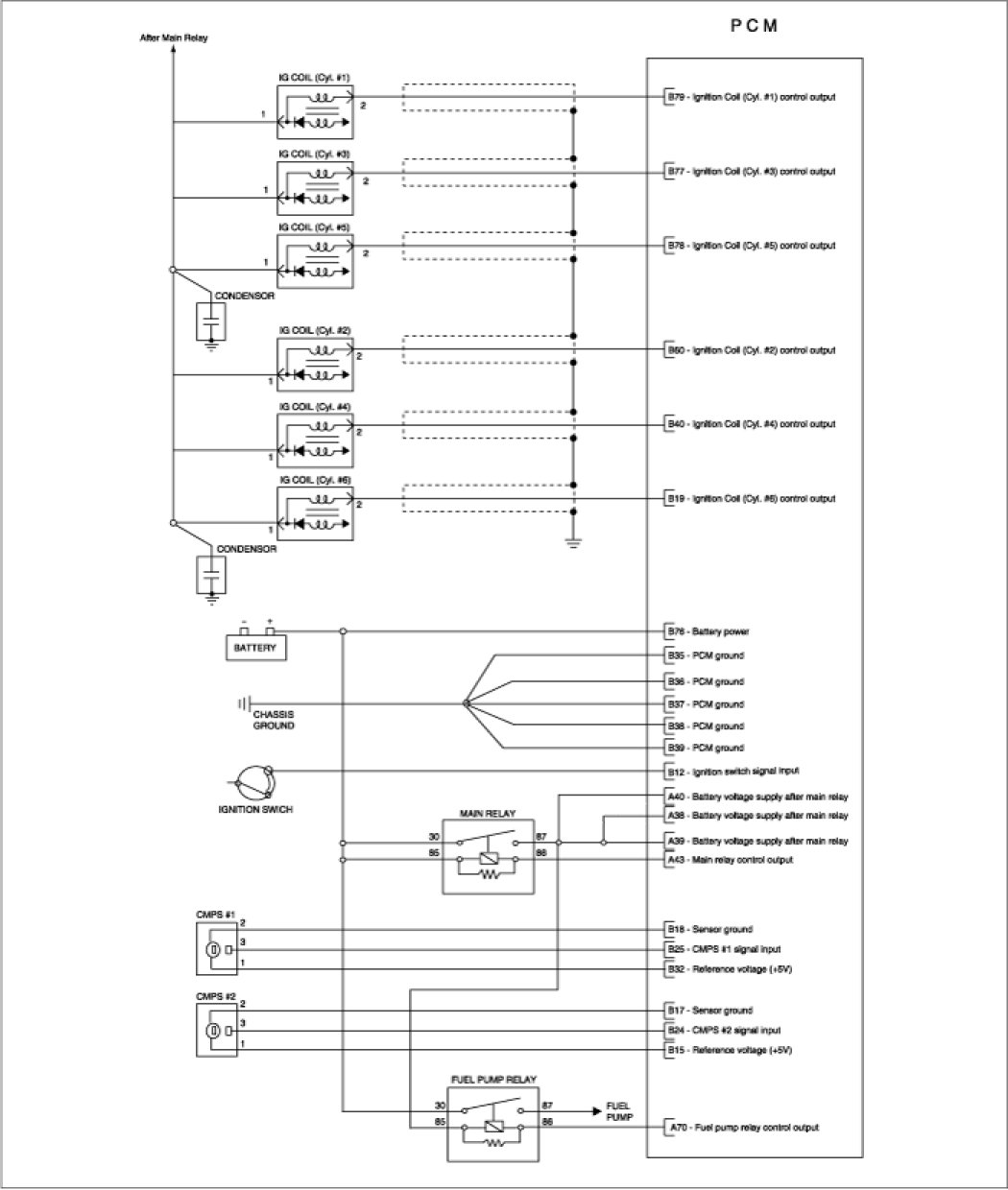
Engine Control Module








CIRCUIT DIAGRAM