lemon-mirror:
Home >> Kia >> 2009 >> Rondo V6-2.7L >> Repair and Diagnosis >> Powertrain Management >> Computers and Control Systems >> Body Control Module >> Testing and Inspection >> Component Tests and General Diagnostics >> 2 of 3

2 of 3





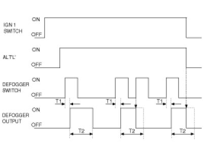
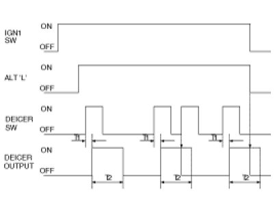
T1 : 60 ± 20msec, T2 : 20 ± 2min
11. FRONT DEICER TIMER
(1) In state of IGN1 SW ON, after ALT "L" is ON and then DEICER SW is ON, ON the output of DEFOGGER for 20 min. (operate in state of ENGINE RUNNING)
(2) During DEICER output ON, when DEICER SW is ON, OFF the output DEICER
(3) During DEICER output ON, when ALT "L" is OFF or IGN1 SW is OFF, OFF the output of DEICER
(4) The decision of inputting ALT 'L' shall be complied with the table below.





(5) In state of DEICER SW ON, When ALT"L" is ON Then DEICER RLY don't output.




T1 : 60 ± 20msec, T2 : 20 ± 2min.
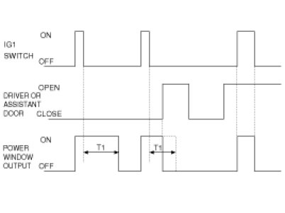
12. POWER WINDOW TIMER
(1) In state of IGN1 SWITCH ON, ON the output of POWER WINDOW.
(2) In state of IGN1 SWITCH OFF, keep the output for 30s and then OFF the output.
(3) In terms of (2), in case of Driver or Assistant seat DOOR is OPEN, OFF the output immediately.
(4) In state of Driver or Assistant seat DOOR is OPEN, in case of IGN1 SWITCH OFF, OFF the output of POWER WINDOW.




T1 : 30 ± 3sec.
13. DECAYED ROOM LAMP
(1) In case of 4DOOR OPEN, start from Room Lamp on 20min State first.
(2) In case of 4DOOR CLOSE, start from Room Lamp off State first.
ROOM LAMP OFF state



















Room lamp ON for 30s state



















Room lamp ON for 20min state



















Room lamp Decaying state
























Room lamp ON state




















NOTE:
1. The flickering of lamp is not allowed even though IGN1 SW ON.
2. The resolution of DECAYED ROOM LAMP must be more then 32 steps.

14. IGN KEY HOLE ILLUMINATION
(1) In state of IGN1 SWITCH OFF, in case of driver's DOOR (or assistant's) OPEN, ON the light of IGN KEY HOLE.
(2) In state of (1) term, in case of driver's DOOR (or assistant's) CLOSE, ON the light of IGN KEY HOLE for 30s and then OFF the light.
(3) During (1) and (2), in case of IGN1 SWITCH is inputting, OFF the light of IGN KEY HOLE immediately.
(4) But, in case of TRANSMITTER LOCK, ON the output of LOCK and after checking ACTUATOR LOCK and all DOOR CLOSE, and then OFF the light of IGN KEY HOLE immediately.




T1 : 30 ± 3 sec.
15. LAMP AUTO CUT (TAIL ONLY)
(1) After KEY IN SWITCH is ON, in case of TAIL LAMP SWITCH ON, OFF the KEY IN SWITCH, and when opening the drivers DOOR, TURN OUT the TAIL LAMP automatically.
And, in state of KEY IN SWITCH ON, after the driver's seat DOOR is OPEN, in case of KEY IN SWITCH OFF, TURN OUT the TAIL LAMP automatically.
(2) After the automatic blackout, in case of TAIL LAMP SWITCH is OFF and then ON, TURN ON the TAIL LAMP and release the AUTO CUT function.
(3) After the automatic blackout, in case of KEY IN SWITCH ON, TURN ON the TAIL LAMP and release the AUTO CUT function.
(4) When connecting and disconnecting BATT. in state of AUTO CUT MODE, keep the AUTO CUT MODE.