lemon-mirror:
Home >> Kia >> 2009 >> Rio L4-1.6L >> Repair and Diagnosis >> Powertrain Management >> Computers and Control Systems >> Body Control Module >> Diagrams >> Electrical Diagrams

Electrical Diagrams





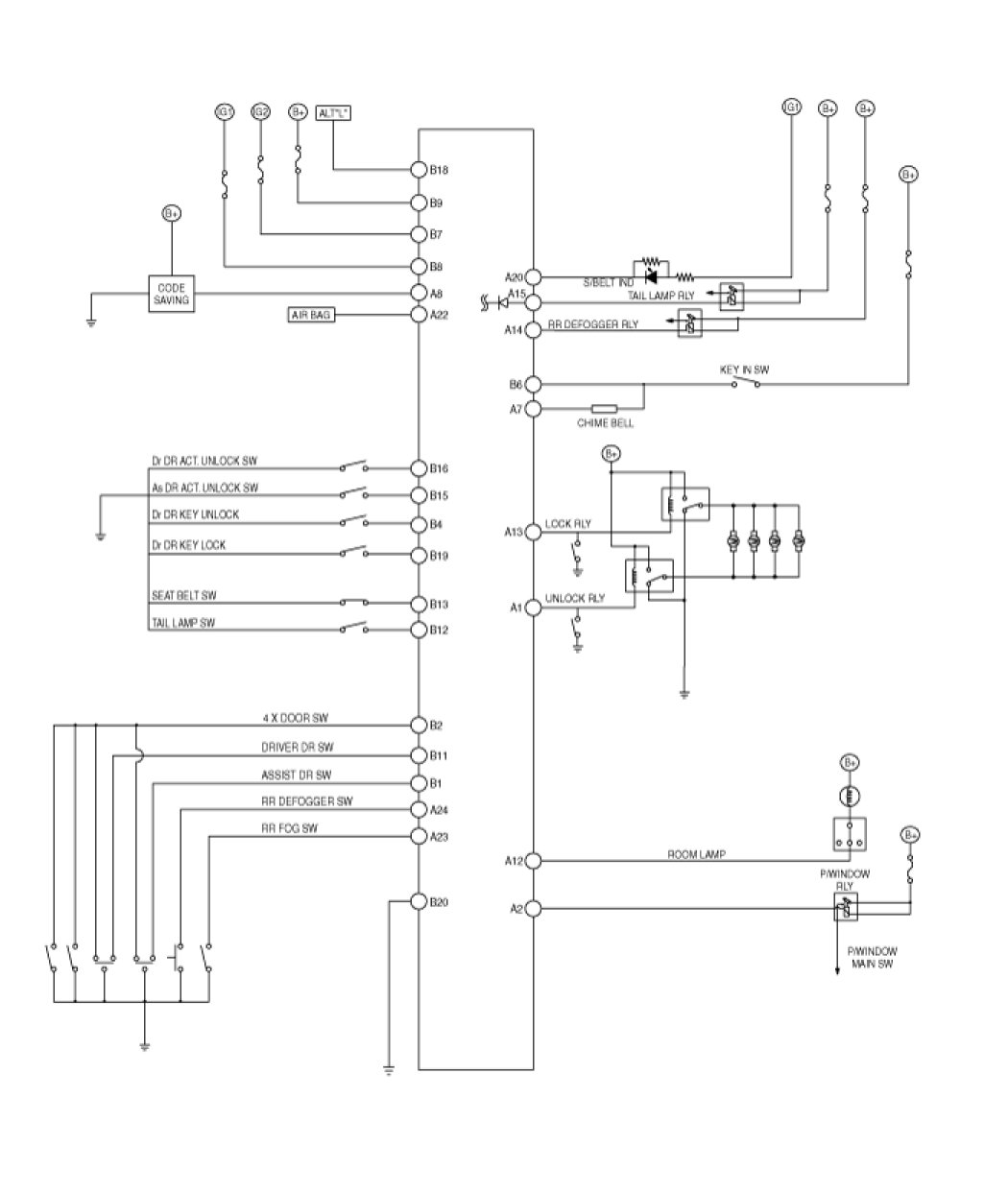
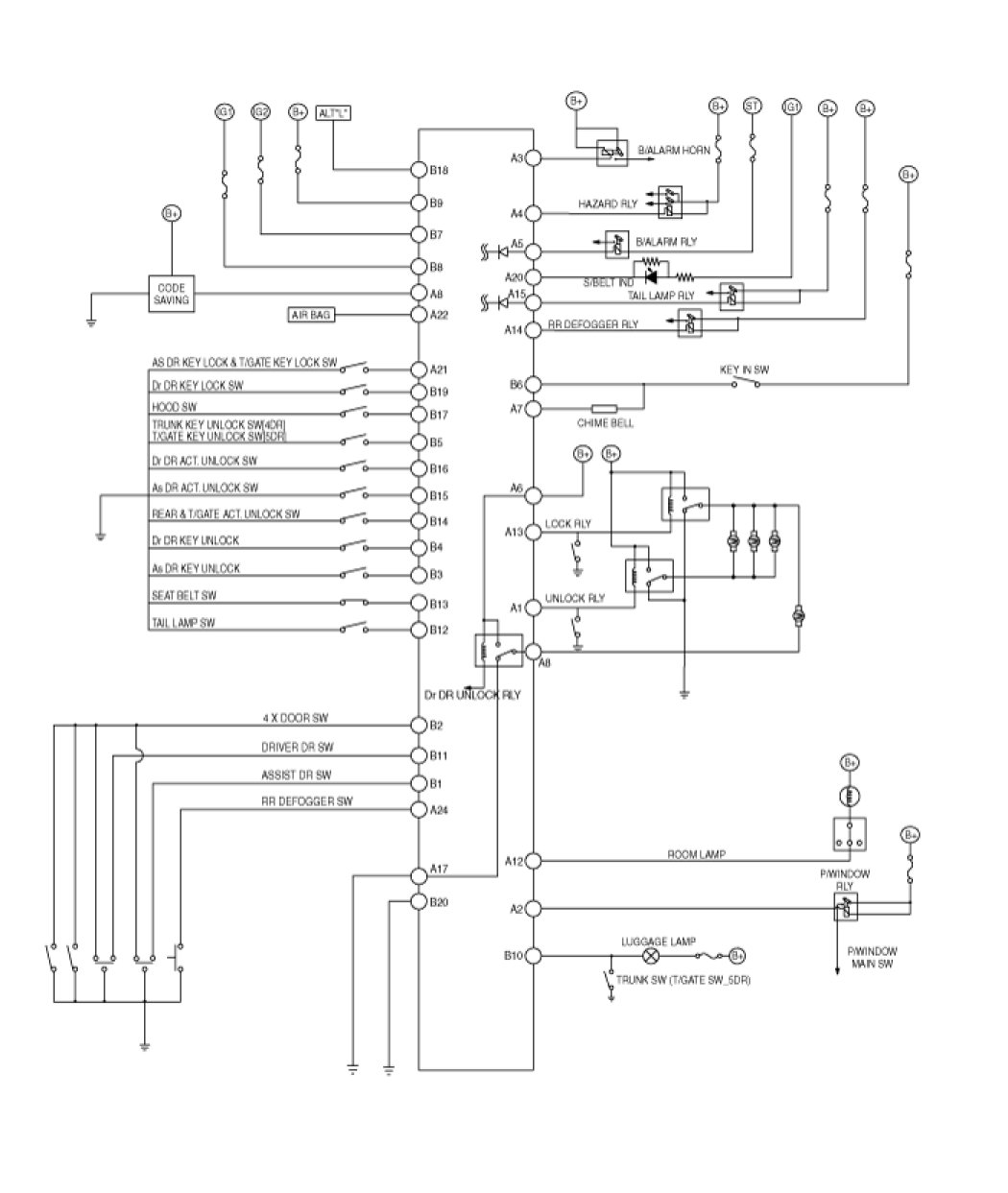
CIRCUIT DIAGRAM

BCM & RECEIVER




BCM





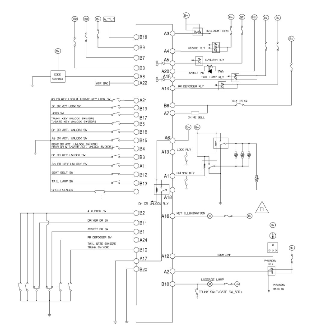
Circuit Diagram




BCM