lemon-mirror:
Home >> Kia >> 2009 >> Rio L4-1.6L >> Repair and Diagnosis >> Diagrams >> Exploded Views >> Blower Motor

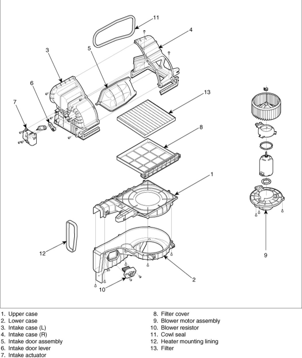
Blower Motor









COMPONENTS