lemon-mirror:
Home >> Kia >> 2008 >> Sportage 2WD L4-2.0L >> Repair and Diagnosis >> Diagrams >> Exploded Views >> Electronic Brake Control Module

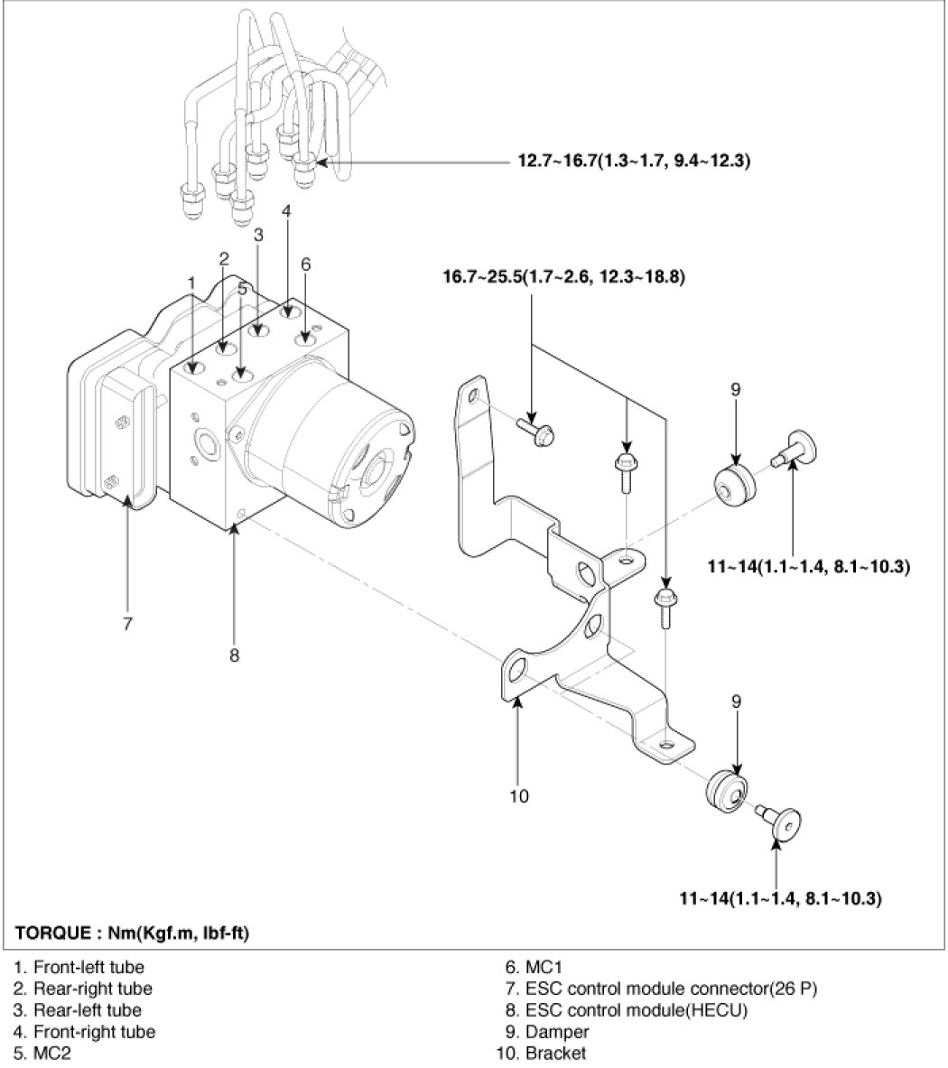
Electronic Brake Control Module








COMPONENTS