lemon-mirror:
Home >> Kia >> 2008 >> Sorento 2WD V6-3.3L >> Repair and Diagnosis >> Diagrams >> Electrical Diagrams >> Powertrain Management >> Engine Control Module

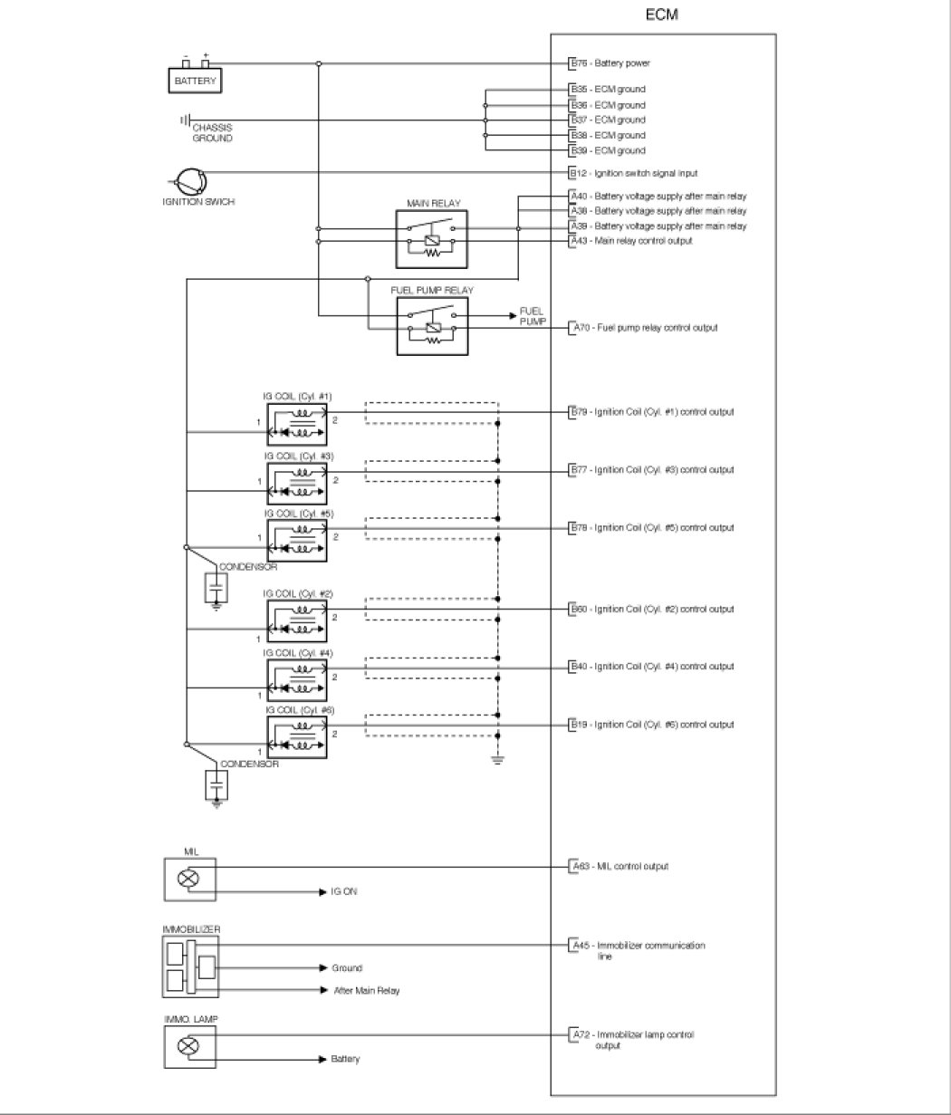
Engine Control Module








CIRCUIT DIAGRAM