lemon-mirror:
Home >> Kia >> 2008 >> Rondo V6-2.7L >> Repair and Diagnosis >> Diagrams >> Electrical Diagrams >> Powertrain Management >> Engine Control Module

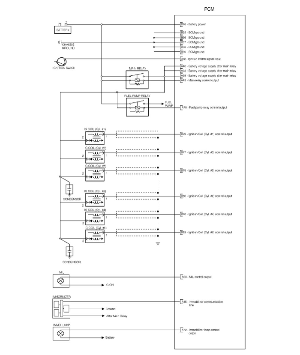
Engine Control Module





CIRCUIT DIAGRAM