lemon-mirror:
Home >> Kia >> 2008 >> Rondo L4-2.4L >> Repair and Diagnosis >> Specifications >> Mechanical Specifications >> Cooling System >> System Specifications

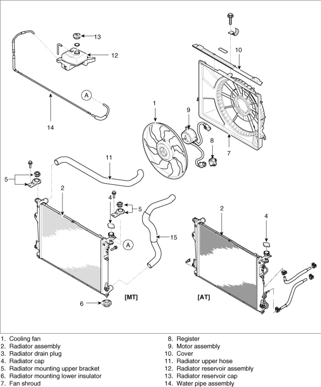
System Specifications





COMPONENTS