lemon-mirror:
Home >> Kia >> 2008 >> Rondo L4-2.4L >> Repair and Diagnosis >> Powertrain Management >> Computers and Control Systems >> Body Control Module >> Testing and Inspection >> Component Tests and General Diagnostics >> 3 of 3

3 of 3




16. CENTRAL DOOR LOCK/UNLOCK
(1) In case of Driver's seat/Assistant's seat DOOR KEY LOCK SWITCH is ON, ON the output of ALL DOOR LOCK for T1.
But, In case of KEY IN and IGN1 SW ON, prohibit the output.
(2) In case of Driver's seat/Assistant's seat DOOR KEY UNLOCK SWITCH is ON, ON the output of ALL DOOR UNLOCK for T1.
(3) In case of receiving TRANSMITTER LOCK signal, ON the output of ALL DOOR LOCK for T1.
(4) In case of receiving TRANSMITTER UNLOCK signal, ON the output of ALL DOOR UNLOCK for T1.
(5) When P/W LOCK SWITCH is LOCK, ON the output of ALL DOOR LOCK for T1.
(6) When P/W UNLOCK SWITCH is UNLOCK, ON the output of ALL DOOR UNLOCK for T1.
(7) LOCK/UNLOCK by SAFETY KNOB shall be non-interlocking. (mechanical operation)
(8) In case of connecting BATTERY, it shall be no failure. (In state of KEY IN SWITCH ON, it shall be no failure.)
(9) The input less than 60msec shall be ignored. (KEY LOCK / UNLOCK SWITCH)
(10) In state of SAFETY KNOB LOCK, when receiving LOCK signal by TRANSMITTER, KEY, POWER WINDOW SWITCH, output LOCK.
(In state of KNOB UNLOCK, when receiving UNLOCK signal by TRANSMITTER, KEY, POWER WINDOW SWITCH, output UNLOCK.)
(11) During LOCK output, when receiving LOCK signal by TRANSMITTER, KEY, POWER WINDOW SWITCH, Don't output LOCK.
(During UNLOCK output, when receiving UNLOCK signal by TRANSMITTER, KEY, POWER WINDOW SWITCH, Don't output UNLOCK.)








T1 : 0.5 ± 0.1 sec.
17. 2-TURN UNLOCK
(1) After the driver's seat KEY UNLOCK SW is changed from OFF to ON(mechanically, the driver's seat DOOR LOCK SW is UNLOCK and BCM is not outputting.) and the driver's seat KEY UNLOCK SW is changed from OFF to ON within T1, ON the output of all driver's seat DOOR UNLOCK for T2.
(2) After the driver's seat KEY UNLOCK SW is changed from OFF to ON (mechanically, the driver's seat DOOR LOCK SW is UNLOCK and BCM is not outputting.) and receiving TUNLOCK within T1, ON the output of all DOOR UNLOCK for T2.
(3) In case of receiving TUNLOCK signal, when DRIVER DOOR UNLOCK output is ON for T2 and receiving TUNLOCK within T1, ON the output of all DOOR UNLOCK for T2.
(4) After receiving TUNLOCK and DRIVER KEY UNLOCK SW is changed from OFF to ON within T1, ON the output of all DOOR UNLOCK for T2.
(5) Even if receiving the other TX signal registered within T1, regard it as the same TX.
(6) LOCK/UNLOCK by SAFETY KNOB shall be non-interlocking. (mechanical operation.)
(7) During UNLOCK output on the initial driver's seat by TX, in case of inputting re-UNLOCK signal by TX, KEY, the output of driver's seat UNLOCK shall be ON for the remained time only and the rest DOOR UNLOCK output shall be ON normally.




T1 : 4 ± 1 sec, T2 : 0.5 ± 0.1 sec.




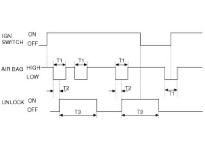
18. CRASH DOOR UNLOCK
(1) In state of IG1 SWITCH is ON, whenever inputting AIR BAG signal, output UNLOCK for T3.
(2) During UNLOCK output, even if IGN SWITCH is changed from ON to OFF, UNLOCK output shall be kept for the remained time.
(3) After inputting AIR BAG signal first, and then IGN1 SWITCH is changed from OFF to ON, don't output UNLOCK.
(4) The AUTO DOOR LOCK function is not performed in the CRASH UNLOCK condition.
(5) The CONTROL DOOR LOCK function is not performed during the CRASH UNLOCK output or after it. But, after the IGN is OFF, if the crash unlock function is reset, the CTRL DOOR LOCK function is normally performed.
(6) The CRASH DOOR UNLOCK function is prior to the LOCK/UNLOCK control by the other functions.




T1 : 200msec, T2 : Max 40msec,
T3 : 5 ± 0.5sec.

BCM DIAGNOSIS WITH SCAN TOOL
1. It will be able to diagnose defects of BCM with scan tool quickly. Scan tool can operates actuator forcefully, input/output value monitoring and self diagnosis.
2. Select model and menu.








3. Select "Current data", if you will check current data of BCM. It provides power supply status, multi function status, lamp status, door status, lock system status, wiper, auto light status and so on.




































4. Use the actuation test mode to verify actuator operation.








5. You can turn ON/OFF as below option function with the user option program.
(1) LOCK / UNLOCK confirming alarm: Alarm sound ON/OFF control when you LOCK/UNLOCK doors with transmitter.
(2) Mechanical LOCKING system: Arm/Disarm ON/OFF when you lock the door with the mechanical key.
(3) AUTO DOOR LOCK/UNLOCK system ON/OFF.
A. Vehicle speed gearing AUTO DOOR LOCK (more than 20km/h)
B. AUTO DOOR LOCK non application
C. Shift lever gearing AUTO DOOR LOCK
D. Driver seat AUTO DOOR LOCK
E. AUTO DOOR UNLOCK non application
F. All doors UNLOCK in the case of driver door UNLOCK
G. All doors UNLOCK in the case of IGN key separation.
(4) Riding & Getting off gearing
A. Seat installation state ON/OFF
B. Seat riding & getting off gearing ON/OFF
C. Column installation state ON/OFF
D. Column riding & getting off gearing ON/OFF

USER OPTION MODE
The BCM offers 4 items user option mode for a user convenience (AUTO DOOR LOCK, ARM/DISARM BY KEY, HORN ANSWER BACK, AUTO LIGHT CONTROL)
- It is able to set up the enable or disable of AUTO DOOR LOCK function or AUTO DOOR LOCK operation vehicle speed when using it.
- It is able to set up the enable or disable of enter the burglar alarm mode when using door lock by the key.
- It is able to set up the enable or disable of horn inform function when using door lock by the key or RKE.
- It is able to set up the enable or disable of auto light control function when using auto light control.
1. Select option "RONDO" and press ENTER.
2. Select option "BODY CONTROL MODULE" and press ENTER.




3. Select option "USER OPTION" and press ENTER.




4. Select option "AUTO DOOR LOCK STATUS by using the direction button(O / \/).
5. Select the parameter by using the direction button(< / >) and press ENTER to save it.
(Disable / 5km/h / 10km/h / 15km/h / 20km/h / 25km/h /30km/h / 35km/h / 40km/h)




6. Select option "ARM/DISARM BY KEY(+RKE)" by using the direction button(O / \/).
7. Select the parameter by using the direction button(< / >) and press ENTER to save it.
(Disable / Enable)
8. Select option "HORN ANSWER BACK (+RK)" by using the direction button(O / \/).
9. Select the parameter by using the direction button (O / \/) and press ENTER to save it (Disable/Enable)
10. Select option "AUTO LIGHT CONTROL" by using the direction button(O / \/).
11. Select the parameter by using the direction button (O / \/) and press ENTER to save it (Disable/Enable)