lemon-mirror:
Home >> Kia >> 2008 >> Optima V6-2.7L >> Repair and Diagnosis >> Powertrain Management >> Computers and Control Systems >> Fuel Level Sensor >> Locations

Fuel Level Sensor: Locations

Fuel Delivery System Component Location:



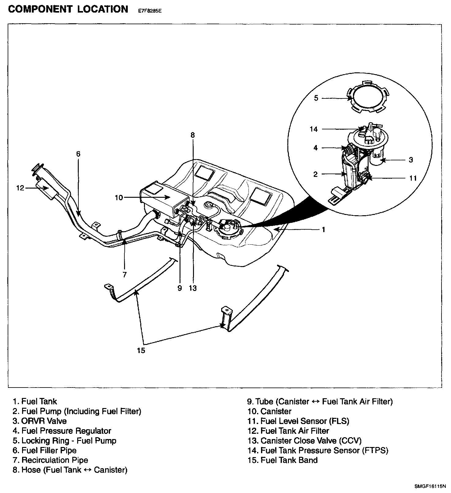
Component Location:





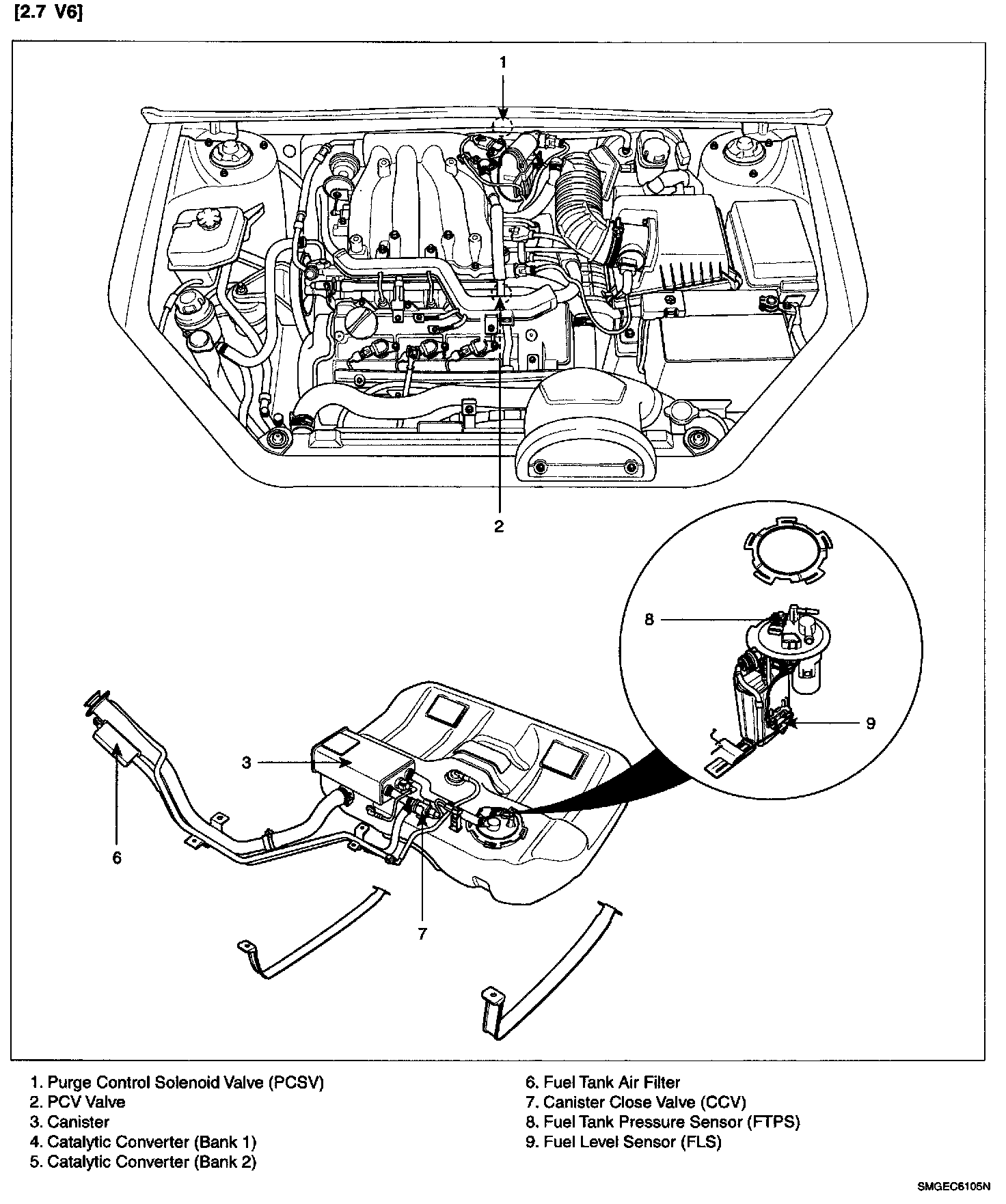
Component Location - 2.7 V6: