lemon-mirror:
Home >> Kia >> 2008 >> Optima L4-2.4L >> Repair and Diagnosis >> Powertrain Management >> Computers and Control Systems >> Fuel Tank Pressure Sensor >> Locations

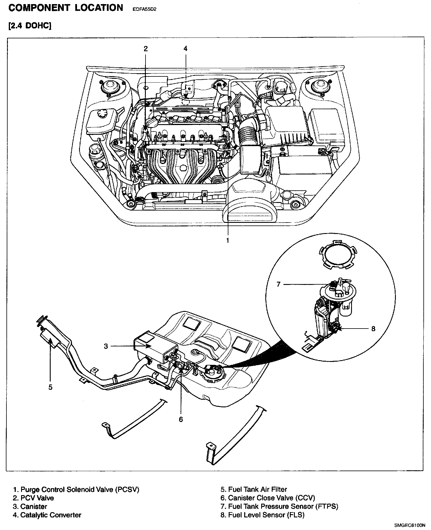
Fuel Tank Pressure Sensor: Locations

Component Location - 2.4 DOHC: