lemon-mirror:
Home >> Kia >> 2008 >> Amanti V6-3.8L >> Repair and Diagnosis >> Powertrain Management >> Computers and Control Systems >> Body Control Module >> Description and Operation

Body Control Module: Description and Operation








OPERATION

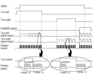
FLASHER OUTPUT OPERATION




1. NORMAL OPERATING CONDITION
Turn signal period: 85 ± 10 period/min (regulation: 90 ± 30 period/min)
While IGN2 is on, if TURN SIGNAL LEFT switch or TURN SIGNAL RIGHT switch or HAZARD switch input is detected, turn signal outputs are turned on following the switch input (LEFT, RIGHT or HAZARD).
Priority: HAZARD > TURN SIGNAL




Normal : 85±10 Period/min
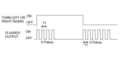
2. DOUBLE BLINKING CONDITION
When one of the FRONT or REAR is broken-down (Lamp failure), the turn signal blinks with double frequency. Lamp failure condition as indicated below.