lemon-mirror:
Home >> Kia >> 2008 >> Amanti V6-3.8L >> Repair and Diagnosis >> Diagrams >> Electrical Diagrams >> Powertrain Management >> Engine Control Module

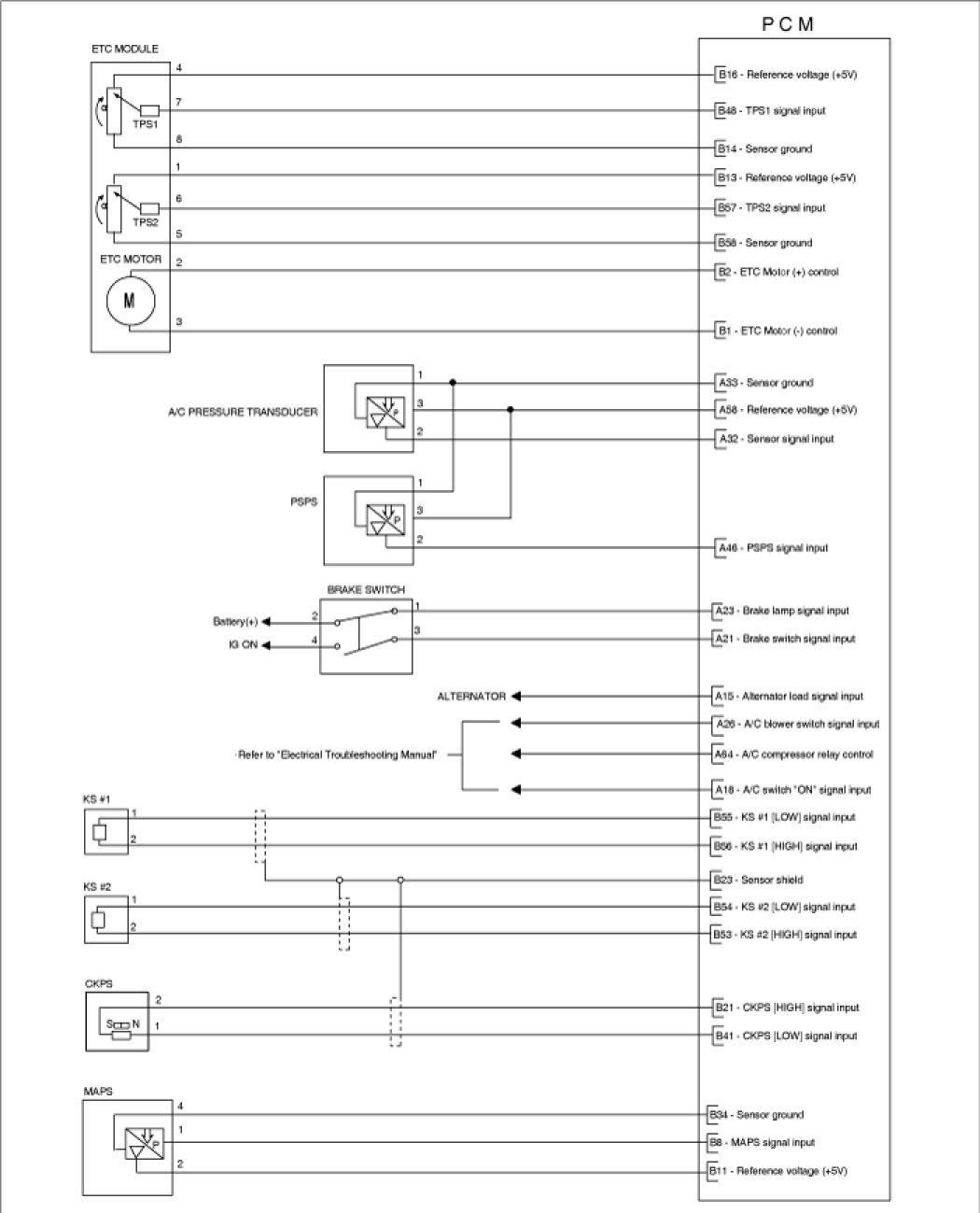
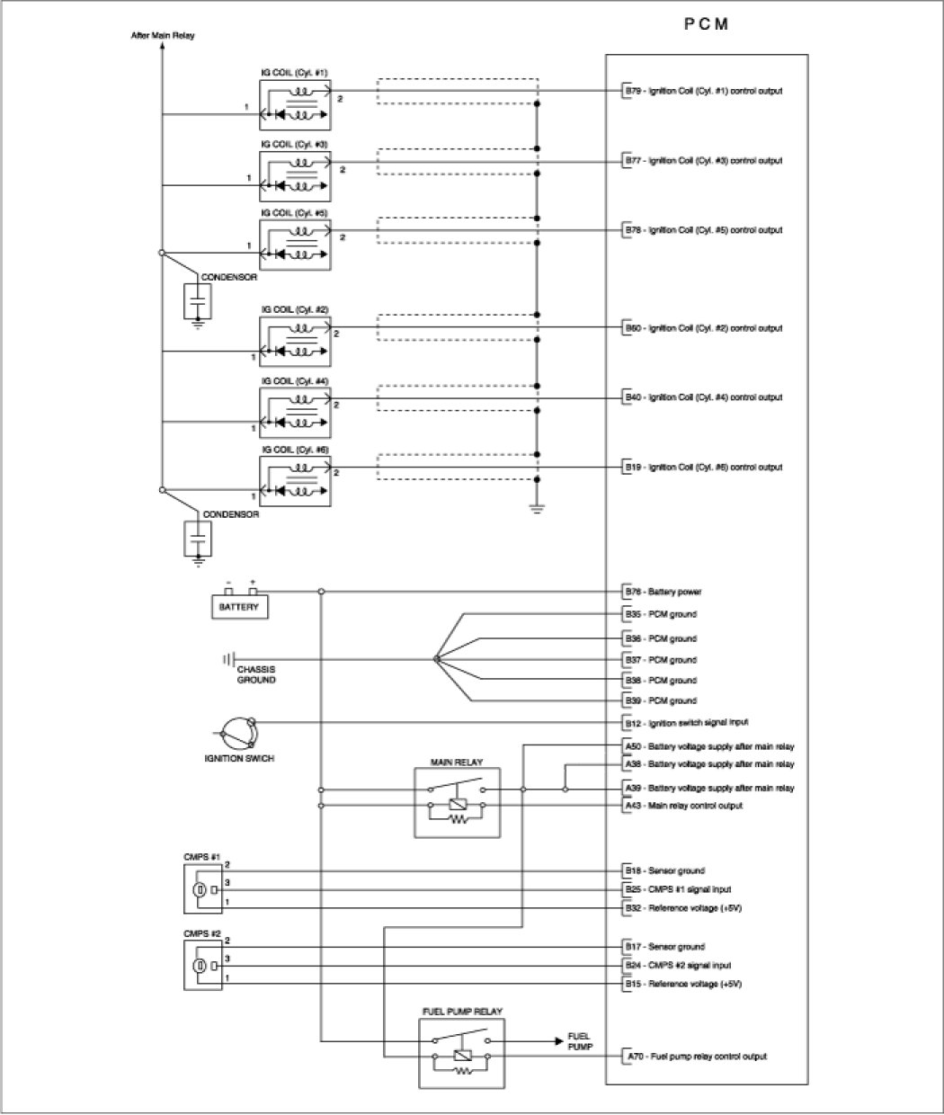
Engine Control Module









CIRCUIT DIAGRAM