lemon-mirror:
Home >> Kia >> 2007 >> Sportage 2WD V6-2.7L >> Repair and Diagnosis >> Diagrams >> Exploded Views >> Electronic Brake Control Module

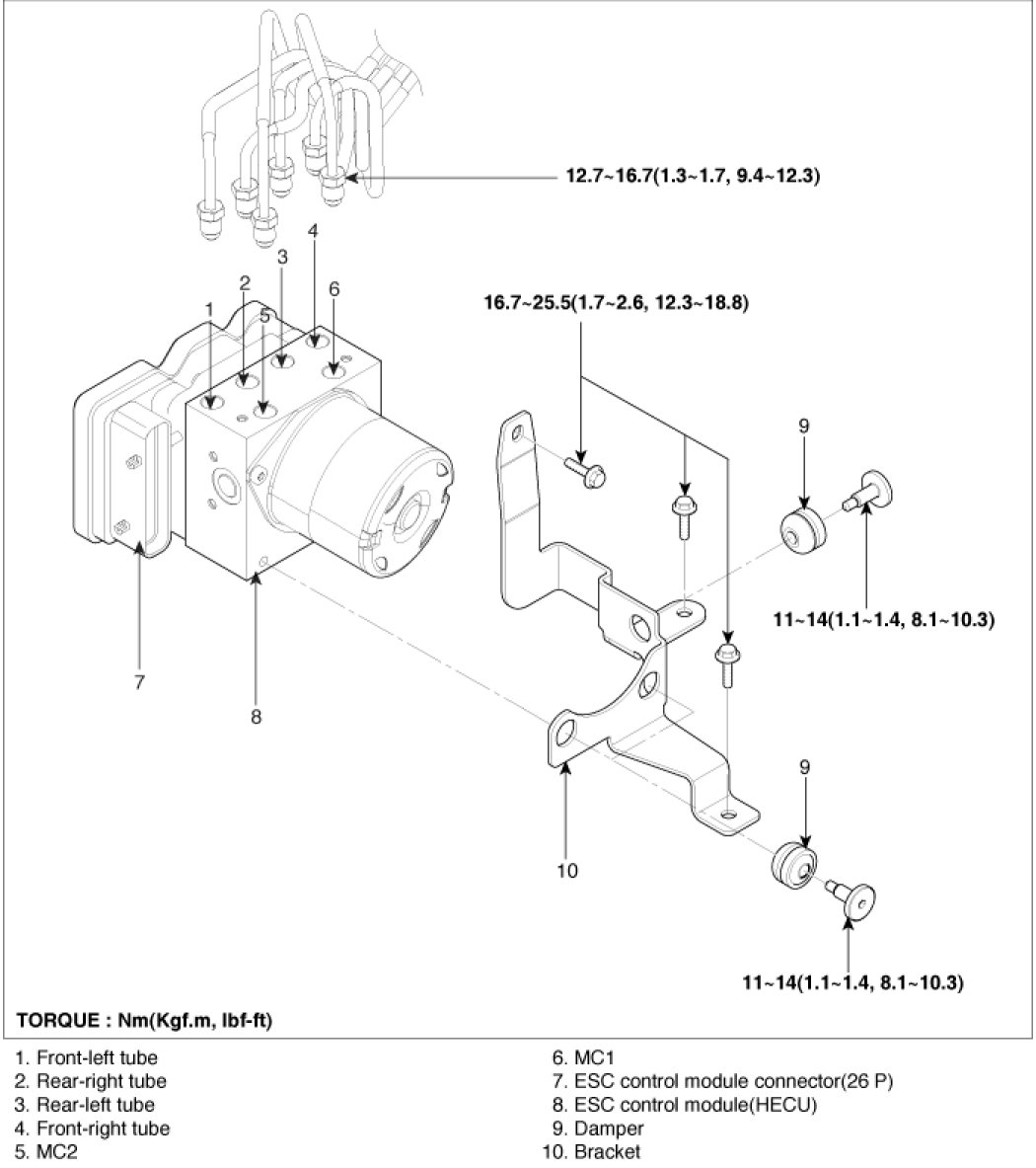
Electronic Brake Control Module





COMPONENTS