lemon-mirror:
Home >> Kia >> 2007 >> Sportage 2WD L4-2.0L >> Repair and Diagnosis >> Diagrams >> Exploded Views >> Intake Manifold

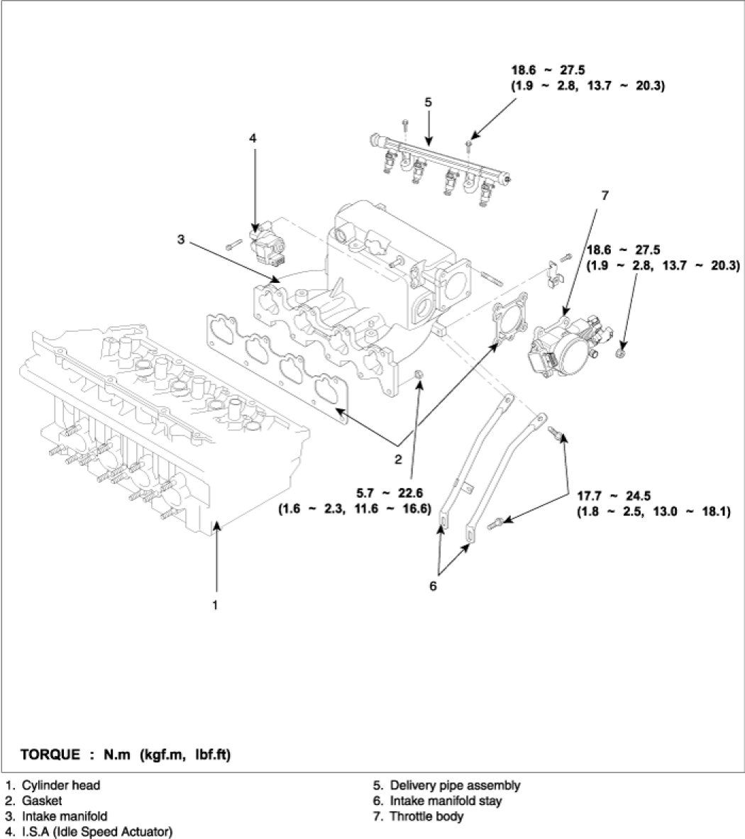
Intake Manifold











COMPONENT