lemon-mirror:
Home >> Kia >> 2007 >> Spectra L4-2.0L >> Repair and Diagnosis >> Powertrain Management >> Computers and Control Systems >> Engine Control Module >> Diagrams >> Electrical Diagrams

Electrical Diagrams





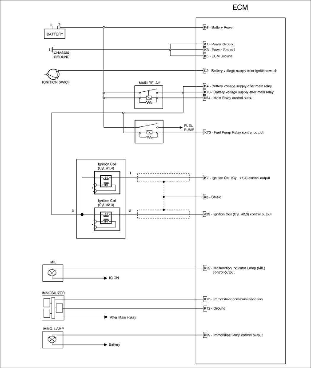
CIRCUIT DIAGRAM