lemon-mirror:
Home >> Kia >> 2007 >> Spectra L4-2.0L >> Repair and Diagnosis >> Diagrams >> Exploded Views >> Engine >> Intake Manifold

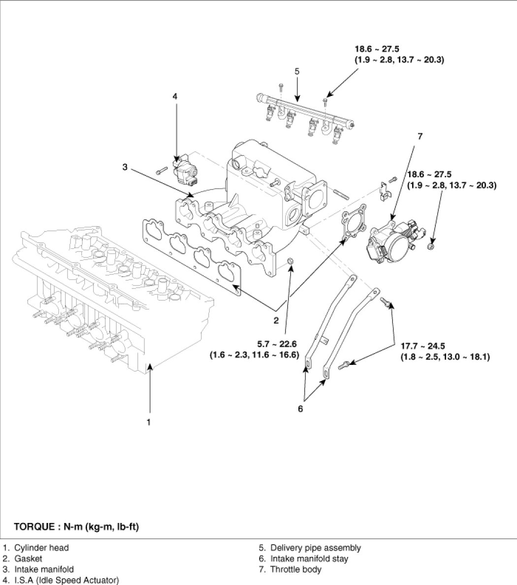
Intake Manifold





COMPONENT