lemon-mirror:
Home >> Kia >> 2007 >> Sorento 2WD V6-3.8L >> Repair and Diagnosis >> Powertrain Management >> Ignition System >> Locations

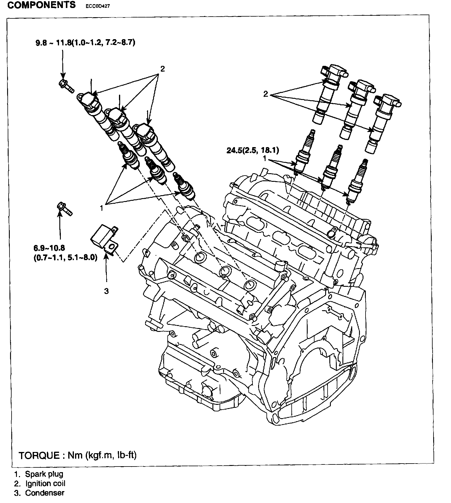
Ignition System: Locations

Ignition System Components: