lemon-mirror:
Home >> Kia >> 2007 >> Rondo V6-2.7L >> Repair and Diagnosis >> Powertrain Management >> Tune-up and Engine Performance Checks >> Compression Check >> Testing and Inspection

Compression Check: Testing and Inspection

COMPRESSION PRESSURE

INSPECTION

NOTE
If the there is lack of power, excessive oil consumption or poor fuel economy, measure the compression pressure.

1. Warm up the engine until the normal operating temperature becoming 80-95°C(176-203°F).
2. Remove the surge tank.
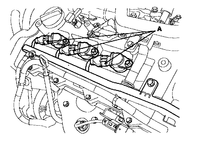
3. Remove the ignition coil connectors(A) and ignition coils.





4. Using a 16mm plug wrench, remove the 6 spark plugs.
5. Check cylinder compression pressure.
1) Insert a compression gauge into the spark plug hole.
2) Open the throttle fully.
3) With the fully-open throttle in crank the engine, measure the compression pressure.

NOTE
Always use a fully charged battery to get the engine speed of 250 rpm or more.

Repeat steps 1)through 3)for each cylinder.

NOTE
This measurement must be done in as short a time as possible.

Compression pressure: 1,176.79kPa (12.0kgf/cm2, 170.68psi) - 200 - 250rpm
Minimum pressure: 1,029.69kPa (10.5kgf/cm2, 149.34psi)
Difference between cylinders: 98.07kPa (1.0kgf/cm2, 14.22psi)

4) If the compression pressure in 1 or more cylinders is lower than the specification above, pour a small amount of engine oil into the cylinder through the spark plug hole, repeat the steps (1) through (3)for the cylinder and measure the pressure again.
^ If adding oil increases the pressure, the piston rings or cylinder bores might be worn or damaged.
^ If the pressure doesn't increase, a valve may be sticking or seating may be improper, or there may be leakage from the gasket.
6. Reinstall the spark plugs.
7. Install the ignition coils and connect ignition coil connectors.
8. Install the surge tank.