lemon-mirror:
Home >> Kia >> 2007 >> Rondo L4-2.4L >> Repair and Diagnosis >> Diagrams >> Exploded Views >> Housing Assembly HVAC >> Heater Unit

Heater Unit

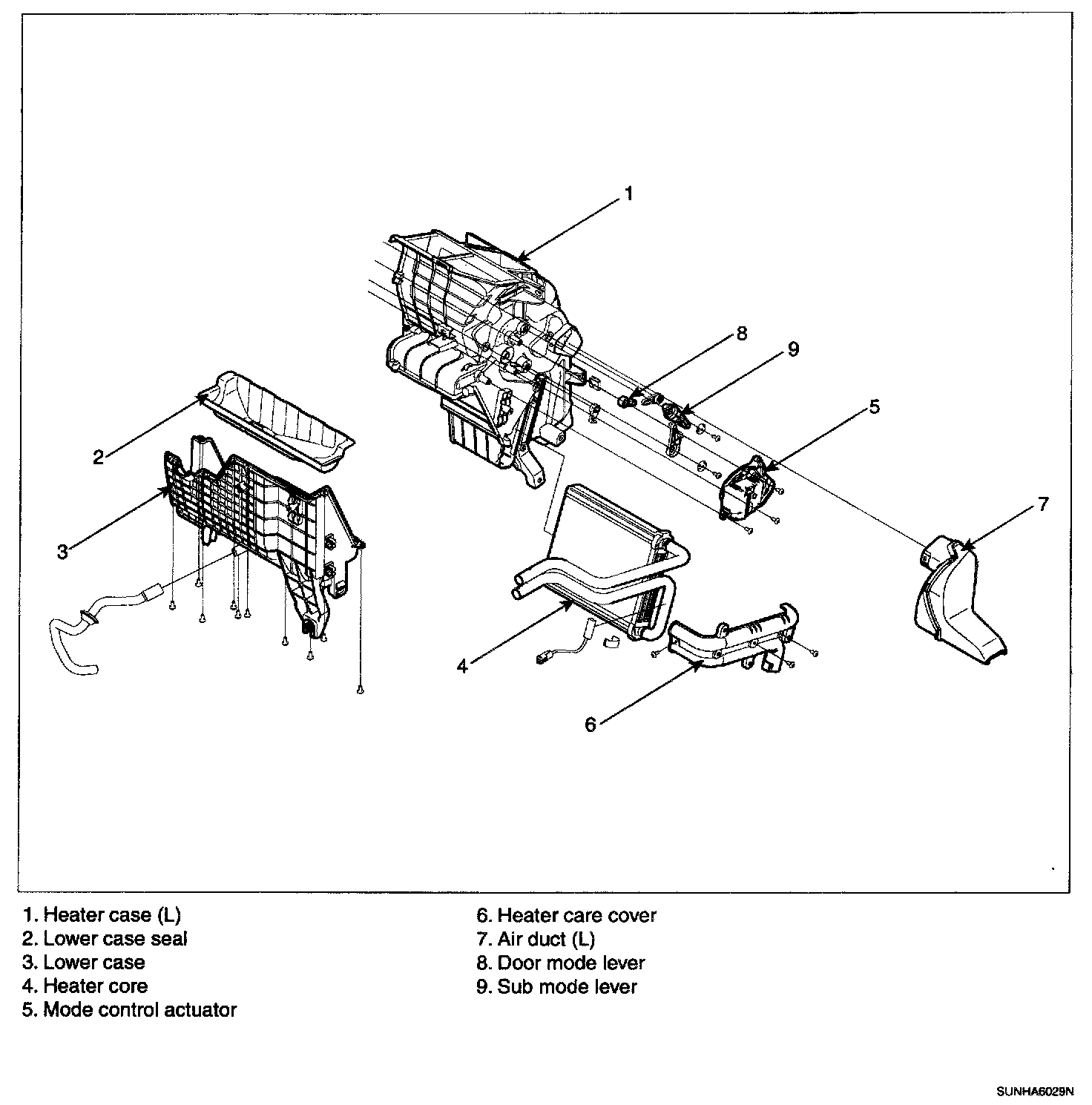
Heater Unit - Components:



Heater Unit - Components: