lemon-mirror:
Home >> Kia >> 2007 >> Rio L4-1.6L >> Repair and Diagnosis >> Specifications >> Mechanical Specifications >> Engine >> Timing Components >> System Specifications >> Timing Belt Cover

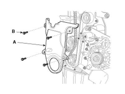
Timing Belt Cover




Timing Belt Lower Cover

Tightening torque 7.8 - 9.8 N.m (0.8 - 1.0 kgf.m, 5.8 - 7.2 lb-ft)






Timing Belt Upper Cover

Tightening torque 7.8 - 9.8N.m (0.8 - 1.0kgf.m, 5.8 - 7.2lb-ft)