lemon-mirror:
Home >> Kia >> 2007 >> Rio L4-1.6L >> Repair and Diagnosis >> Diagrams >> Exploded Views >> Housing Assembly HVAC

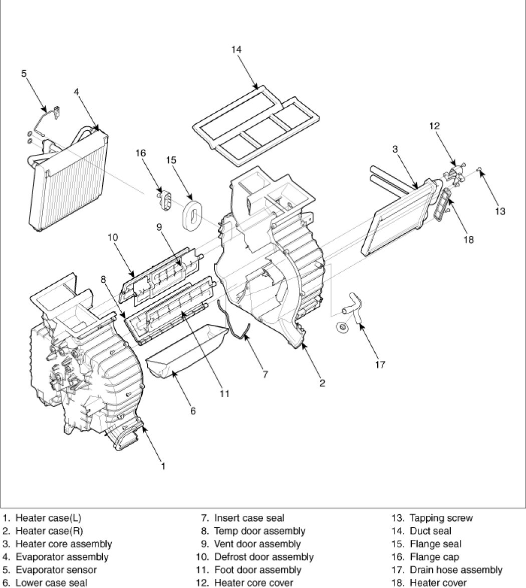
Housing Assembly HVAC









COMPONENTS