lemon-mirror:
Home >> Kia >> 2007 >> Optima L4-2.4L VIN 3 >> Repair and Diagnosis >> Maintenance >> Fluids >> Engine Oil >> Service and Repair >> Procedures

Procedures

LUBRICATION SYSTEM

COMPONENTS:





OIL AND FILTER

CAUTION:
^ Prolonged and repeated contact with mineral oil will result in the removal of natural fats from the skin, leading to dryness, irritation and dermatitis. In addition, used engine oil contains potentially harmful contaminants which may cause skin cancer.
^ Exercise caution in order to minimize the length and frequency of contact of your skin to used oil. Wear protective clothing and gloves. Wash your skin thoroughly with soap and water, or use water-less hand cleaner, to remove any used engine oil. Do not use gasoline, thinners, or solvents.
^ In order to preserve the environment, used oil and used oil filter must be disposed of only at designated disposal sites.


1. Drain engine oil.
1) Remove the oil filter cap.
2) Remove the oil drain plug, and drain the oil into a container.
2. Replace oil filter.
1) Remove the oil filter.
2) Check and clean the oil filter installation surface.
3) Check the part number of the new oil filter is as same as old one.
4) Apply clean engine oil to the gasket of a new oil filter.
5) Lightly screw the oil filter into place, and tighten it until the gasket contacts the seat.
Tightening torque 11.76 - 15.68 Nm (1.2 - 1.6 kgf.m, 8.67 - 11.57 ft. lbs.)
3. Refill with engine oil filter.
1) Clean and install the oil drain plug with a new gasket.
Tightening torque 39.2 - 44.1 Nm (4.0 - 4.5 kgf.m, 28.9 - 32.5 ft. lbs.)
2) Fill with fresh engine oil
Capacity Total: 5.1 Liters (5.39 US quarts, 4.49 Imp quarts)
Excluding oil filter: 4.0 Liters (4.23 US quarts, 3.52 Imp quarts)
Including oil filter: 4.3 Liters (4.54 US quarts, 3.78 Imp quarts)
4. Start engine and check for oil leaks.
5. Recheck engine oil level.

INSPECTION
1. Check engine oil quality
Check the oil for deterioration, entry of water, discoloring or thinning.
If the quality is visibly poor, replace the oil.
2. Check engine oil level.
After warming up the engine and then 5 minutes after the engine stop, oil level should be between the "L" and "F" marks on the dipstick.
If low, check for leakage and add oil up to the "F" mark.

NOTE: Do not fill with engine oil above the "F" mark.

SELECTION OF ENGINE OIL
Recommended API classification: SJ OR SL ABOVE
Recommended SAE viscosity grades: 5W-20

NOTE: For best performance and maximum protection of all types of operation, select only those lubricants which:
^ Satisfy the requirement of the API classification.
^ Have proper SAE grade number for expected ambient temperature range.

Lubricants that do not have both an SAE grade number and API service classification on the container should not be used.

REMOVAL
1. Drain engine oil.
2. Remove the drive belt.
3. Turn the crankshaft and align the white groove on the crankshaft pulley with the pointer on the lower cover.
4. Remove the oil pan.
5. Remove the timing chain.





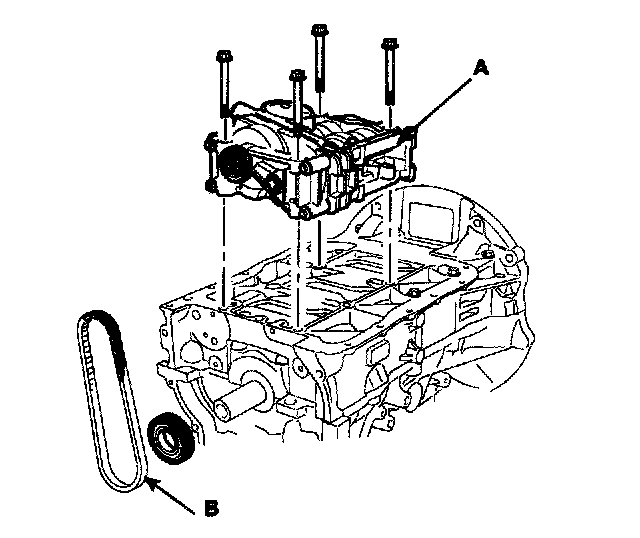
6. Remove balance shaft chain (B) and balance shaft module (A).

INSTALLATION
1. The key of crankshaft should be aligned with the mating face of main bearing cap. As a result of this, the piston of No.1 cylinder is placed at the top dead center on compression stroke.
2. Confirm the balance shaft module timing mark.
Timing marks to be visually aligned with centers of adjacent cast timing notches.





3. Install balance shaft module (A) that the timing mark of balance shaft module sprocket should be matched with the timing mark (color link) of balance shaft chain.
4. Install the balance shaft chain guide.
5. Install the balance shaft tensioner arm.
6. Install the balance shaft tensioner and remove the set pin.
7. Install the timing set pin from the balance shaft module.





8. Confirm the timing marks.
9. Install oil pan.
10. Fill with engine oil.