lemon-mirror:
Home >> Kia >> 2007 >> Magentis (CANADA) V6-2.7L >> Repair and Diagnosis >> Powertrain Management >> Computers and Control Systems >> Fuel Level Sensor >> Locations

Fuel Level Sensor: Locations

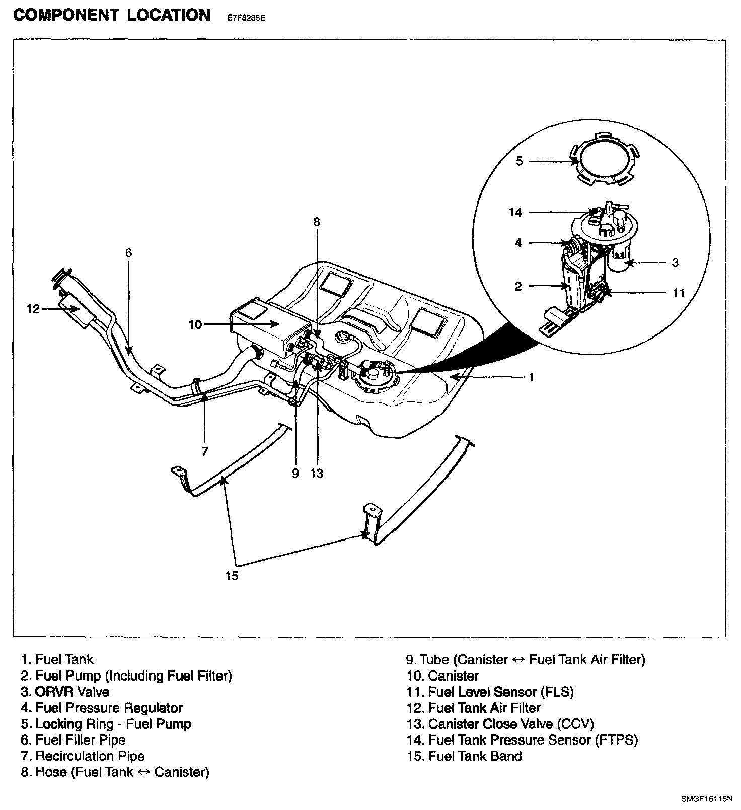
Fuel Delivery System Component Location:



Component Location:





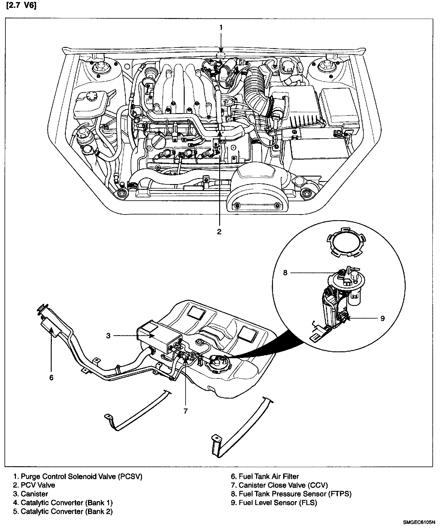
Component Location - 2.7 V6: