lemon-mirror:
Home >> Kia >> 2007 >> Magentis (CANADA) V6-2.7L >> Repair and Diagnosis >> Powertrain Management >> Computers and Control Systems >> Body Control Module >> Testing and Inspection >> Component Tests and General Diagnostics

Component Tests and General Diagnostics

INSPECTION

Verify each components operation using related timing charts.
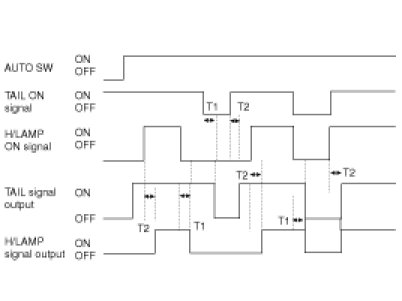
1. TAIL LAMP AUTO CUT
(1) With the tail lamp switched ON, if the ignition
Is switched OFF and the driver's door opened, the tail lamp should be automatically turned OFF.
(2) With the ignition switch ON, if the driver's door is opened and the ignition is switched to OFF, the tail lamp should be automatically turned OFF.
(3) When the tail lamp is cut automatically and the tail lamp switch is turned OFF and ON, the tail lamp illuminates and auto cut function is cancelled.
(4) When the tail lamp is cut automatically and the ignition key is inserted, the tail lamp illuminates and auto cut function is canceled.




2. IGNITION KEYHOLE ILLUMINATION
(1) Ignition keyhole illumination is turned ON when the driver or passenger door is opened.
(2) The "ON" state for ignition keyhole illumination is delayed 10 seconds when the door is closed as in Step 1).
(3) Ignition keyhole illumination is turned off if the ignition switch is turned ON as in Step 1) & 2).
(4) Ignition keyhole illumination is turned off if ARM state is entered. See Steps 1) & 2).




T1 : 10 ± 1 sec.
3. DELAYED ROOM LAMP
(1) When the first door (driver, or assist or 4doors) is opened, room lamp is turned on.
(2) When the door is closed, the room lamp is faded out for 2 seconds after there is on for 30 seconds.
(3) Regardless of ignition ON/OFF in door open state, room lamp output is ON.
(4) When remote control unlock is received, room lamp is turned on for 30 seconds.
(5) While room lamp is on due to Remote control unlock, if another remote control unlock is received, then room lamp is again on for 30 sec.




T1 : 30 ± 3 sec.,
T2 : 2 ± 0.2 sec.,
T3 : 32 ± 3.2sec.
4. CENTRAL DOOR LOCK/UNLOCK
(1) Central door lock/unlock








T1 : 0.5 ±0.1 sec.
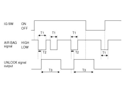
5. CRASH DOOR UNLOCK
(1) UNLOCK signal is always output when AIR BAG signal is input under IG SW = ON.
(2) UNLOCK signal is output for the remaining time even when IG SW ON is turned to OFF during UNLOCK output.
(3) UNLOCK signal is not output when IG SW OFF is turned to ON after AIR BAG signal is input in advance.
(4) UNLOCK signal is output for T3 when driver, Assist or rear DOOR LOCK SW is locked from UNLOCK after UNLOCK signal is output.
(5) AUTO DOOR LOCK function is not performed when CRASH UNLOCK condition is met.
(6) CENTRAL DOOR LOCK function is not performed during or after CRASH UNLOCK signal output.
But, CENTRAL DOOR LOCK function is performed normally if CRASH UNLOCK function is reset after IG OFF.




T1 : 0.2 sec.,
T2 : 0.04 sec.,
T3 : 5 ± 0.5 sec.
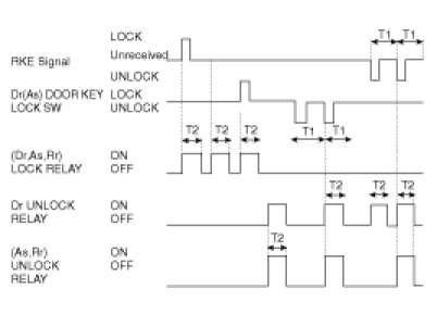
6. 2-TURN UNLOCK
(1) All door unlock signals are output for T2 if driver door key unlock switch is turned ON within T1 after changing driver door key unlock switch from OFF to ON(mechanically, driver door key unlock switch is unlocked and BCM signal is not output). (All door unlock signals are output even within T1 after RKE UNLOCK signal is received.)
(2) Driver door unlock signal is output for T2 when RKE UNLOCK signal is received. But, all door unlock signals are output for T2 if RKE UNLOCK signal is received within T1.




T1 : within 4 ± 1sec,
T2 : 0.5 ± 0.1sec.
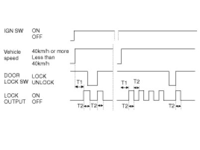
7. AUTO DOOR LOCK (USER OPTION)
(1) This does not activate when vehicle speed is less than 5km/h.
(2) Lock signal is output if vehicle speed is 5km/h or more for at least 1s under ALT"L" ON, IGN SW = ON. But, lock signal is not output if all doors are locked or all doors are fail in advance.
(3) Lock signal is output 3 times as Max ((2) is ignored) if either one door is unlocked after lock signal output in (2).(1s cycle) But, door, which is locked from unlock state during 3-time output, is ignored.
(4) Relevant door is fail if the state is unlock after 3-time output.
(5) Lock signal is output once if the fail door is unlocked again after the door is locked.
(6) Lock signal is output once if locked doors, which are lock state after lock signal output in (2),are unlocked again.
But, lock signal is output once for the relevant door even when unlock state continues after lock signal output.
(7) Fail door is cleared at IGN SW = OFF.
(8) Auto door lock function is not performed when crash unlock condition is met.




T1 : 1 ± 0.1sec,
T2 : 0.5 ± 0.1sec.
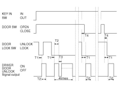
8. IGNITION KEY REMINDER
(1) This function is not performed when vehicle speed is 3km/h or more.
(2) DRIVER UNLOCK signal is output for 1s after 0.5s from when the state becomes KEY IN SW = IN & DRIVER DOOR = OPEN & DRIVER DOOR LOCK SW = LOCK.
(3) ALL DOOR UNLOCK signals are output for 1s after 0.5s from when the state becomes KEY IN SW = IN & ASSIST DOOR = OPEN & ASSIST DOOR LOCK SW = LOCK.
(4) UNLOCK signal is output 3times as Max (1s-output is excluded) in case LOCK state is held even when UNLOCK signal is output for 1s in (2),(3). (1s cycle: 0.5s ON/OFF)




T1 : 0.5 ± 0.1 sec.
T2 : 1.0 ± 0.1 sec.
T3 : 0.5 ± 0.1 sec.
T4 : 0.5 sec.
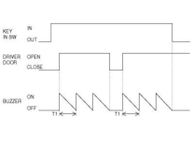
9. KEY OPERATED WARNING
(1) If the key is in the key cylinder and the driver door is opened, the buzzer is sounded (period: 0.7 sec., duty rate: 50%).
(2) If the ignition key is removed, or the door is closed, the buzzer is switched OFF immediately.




T1, T2 : 0.7 ± 0.1sec.
10. WINDSHIELD DEICER & DEFOGGER TIMER
(1) Once ALT "L" is ON, if the defogger is switched ON, the defogger will stay ON for 20 minutes duration.
(2) If defogger switch is pressed again, or if ignition is switched OFF, the defogger will shut OFF.




T1 : 20 ± 1 min.
T2 : MAX 20 ± 1 min.
11. POWER WINDOW TIMER
(1) When the ignition is switched OFF, power window output remains ON for 30 seconds and then turns OFF.
(2) Related to Step 1), if the driver's door or assist door is opened, window power output is turned OFF immediately.
(3) When the driver's door or assist door is opened, the power window relay output is turned OFF immediately.




T1 : 30 ± 3 sec.
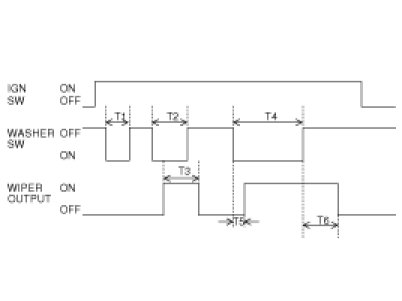
12. WIPER RELATED TO WASHER
(1) When the ignition switch is turned ON :
a. If washer switch is turned on, wiper output is ON after 0.3 sec. (T5)
b. If washer switch is turned OFF, wiper output is OFF after 3.8 sec. (T6)
(2) If the washer switch is turned OFF within 0.6 sec. (T2), the wiper will remain ON for up to 0.7 sec. (T3) from the moment that washer switch is turned OFF.




T1 : Less than 0.2 sec.
T2 : 0.2 ~0.6 sec. (MIST Function)
T3 : 0.7 ± 0.1sec.
T4 : More than 0.6 sec.
T5 : 0.3 sec.
T6 : 2.5 ~3.8 sec.
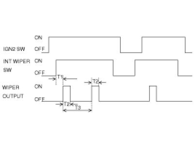
13. VARIABLE INTERMITTENT WIPER (WINDSHIELD WIPER)
(1) With the ignition switch ON, if the intermittent wiper switch is turned on, wiper output is ON according to the setting.
(2) When the intermittent wiper switch is ON, if the ignition switch is turned ON, wiper output is ON.




T1 : MAX 0.5 sec.
T2 : 0.7 ± 0.1sec.
T3 : 2.6 ± 0.7 sec. (FAST),
T3 : 18.0 ± 1.0sec. (SLOW) vehicle speed 0 km/h
14. SEAT BELT REMINDER FUNCTION (DRIVER)
(1) Warning lamp lights every 0.6sec and buzzer sounds every 1sec for 6sec when IGN is ON under unfastened seat belt.
(Warning lamp continues to light for 6sec if seat belt is fastened within 6sec)
(2) Buzzer stops and the warning lamp is turned OFF when IGN is turned OFF within 6sec-output.
(3) Buzzer stops and the warning lamp is turned OFF when seat belt is fastened after IGN ON.
(4) If unfastened seat belt state continues after ALT "L" ON and over 10 km/h, the warning lamp flashes and buzzer sound 11 times in 30 sec-cycle.
(5) Warning lamp & buzzer are turned OFF when IGN is OFF or seat belt is fastened during (4).
(6) Operation in (1) is performed when seat belt is unfastened again under ALT"L" ON and fastened seat belt.
(7) Operation in (4) is performed when ALT "L" is turned ON again after turning OFF under unfastened seat belt.
15. AUTO LIGHT CONTROL
(1) Auto light sensor value is always read at IGN ON.
(2) Light is turned ON after 12 sec when auto light sensor value is same as light ON input value.
(3) Light is turned OFF after 12 sec when sensor value is same as light OFF input value.
(4) Tail lamp and head lamp are turned ON when sensor value is same as tail lamp ON input value.
(5) Light ON value of sensor is based on the below table.
(6) Head lamp signal is output when head lamp switch is ON.
(7) After head lamp is turned OFF, head lamp signal output is kept if head lamp ON luminance condition is met at auto light switch ON.
(8) After head lamp is turned OFF, head lamp signal output is immediately stopped if head lamp OFF luminance condition is met at auto light switch ON.
(9) After head lamp is turned OFF, head lamp signal output is immediately stopped at tail switch signal input.
(10) After head lamp is turned OFF, head lamp signal output is stopped after 0.7s if there is no input of auto light switch or tail switch. (Shall be no flashing of head lamp)
(11) Head lamp signal output is stopped when switch position is changed from AUTO to head lamp switch during head lamp ON with auto light. (Shall be no flashing of head lamp)
(12) The condition of head lamp ON/OFF is same as the one of tail lamp ON/OFF at auto light switch ON. Light ON value of the input sensor is based on the table.









T1/T2 : 12 sec