lemon-mirror:
Home >> Kia >> 2007 >> Magentis (CANADA) V6-2.7L >> Repair and Diagnosis >> Diagrams >> Electrical Diagrams >> Powertrain Management >> Engine Control Module

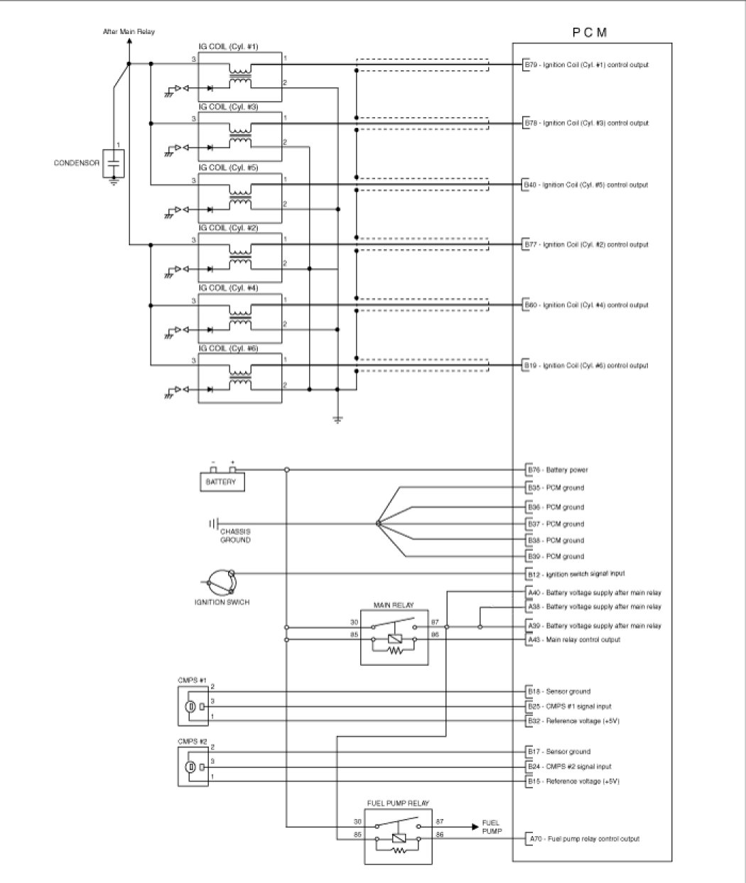
Engine Control Module




CIRCUIT DIAGRAM