lemon-mirror:
Home >> Kia >> 2006 >> Rio L4-1.6L >> Repair and Diagnosis >> Powertrain Management >> Computers and Control Systems >> Body Control Module >> Diagrams >> Electrical Diagrams

Electrical Diagrams

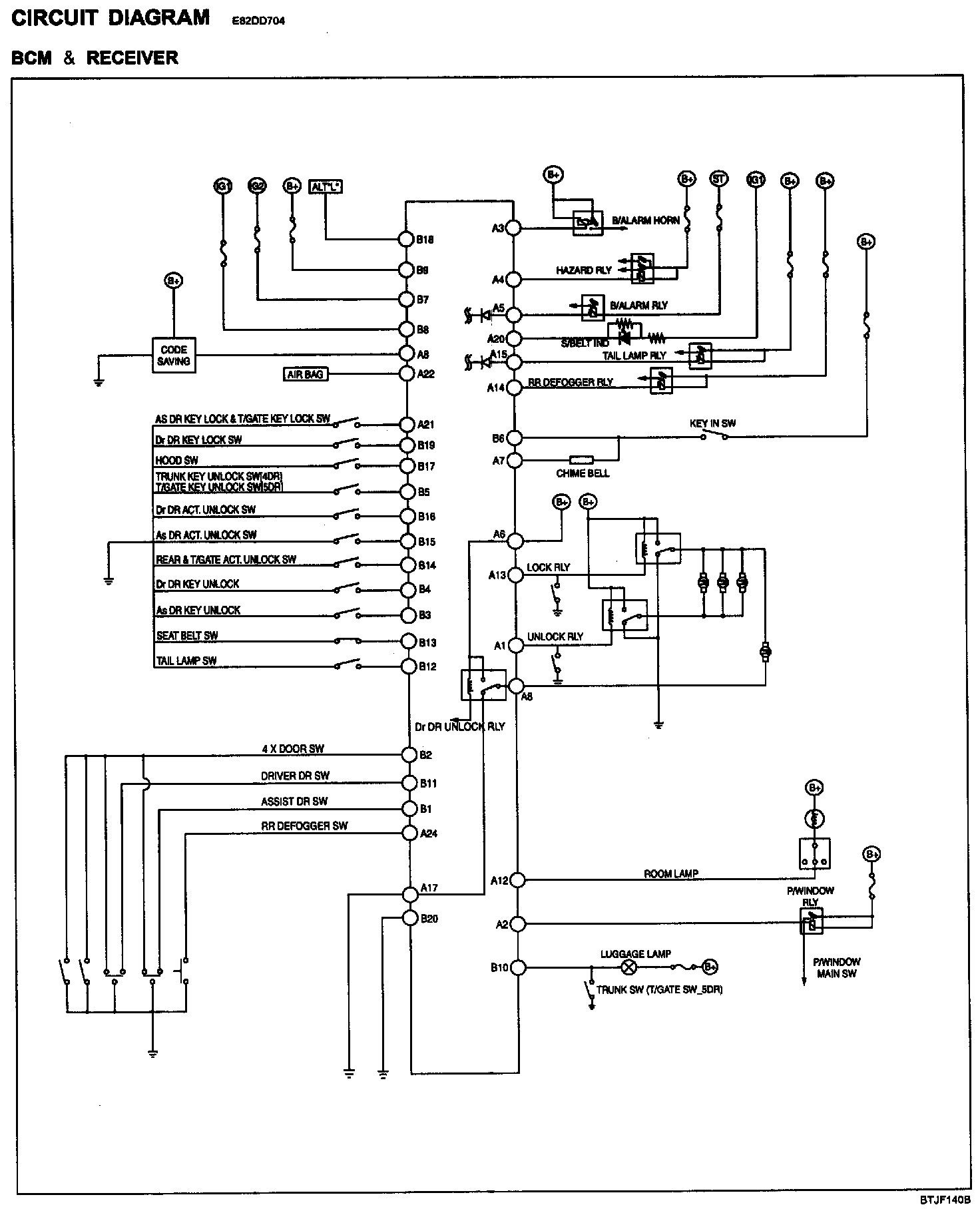
Circuit Diagram - BCM And Receiver:



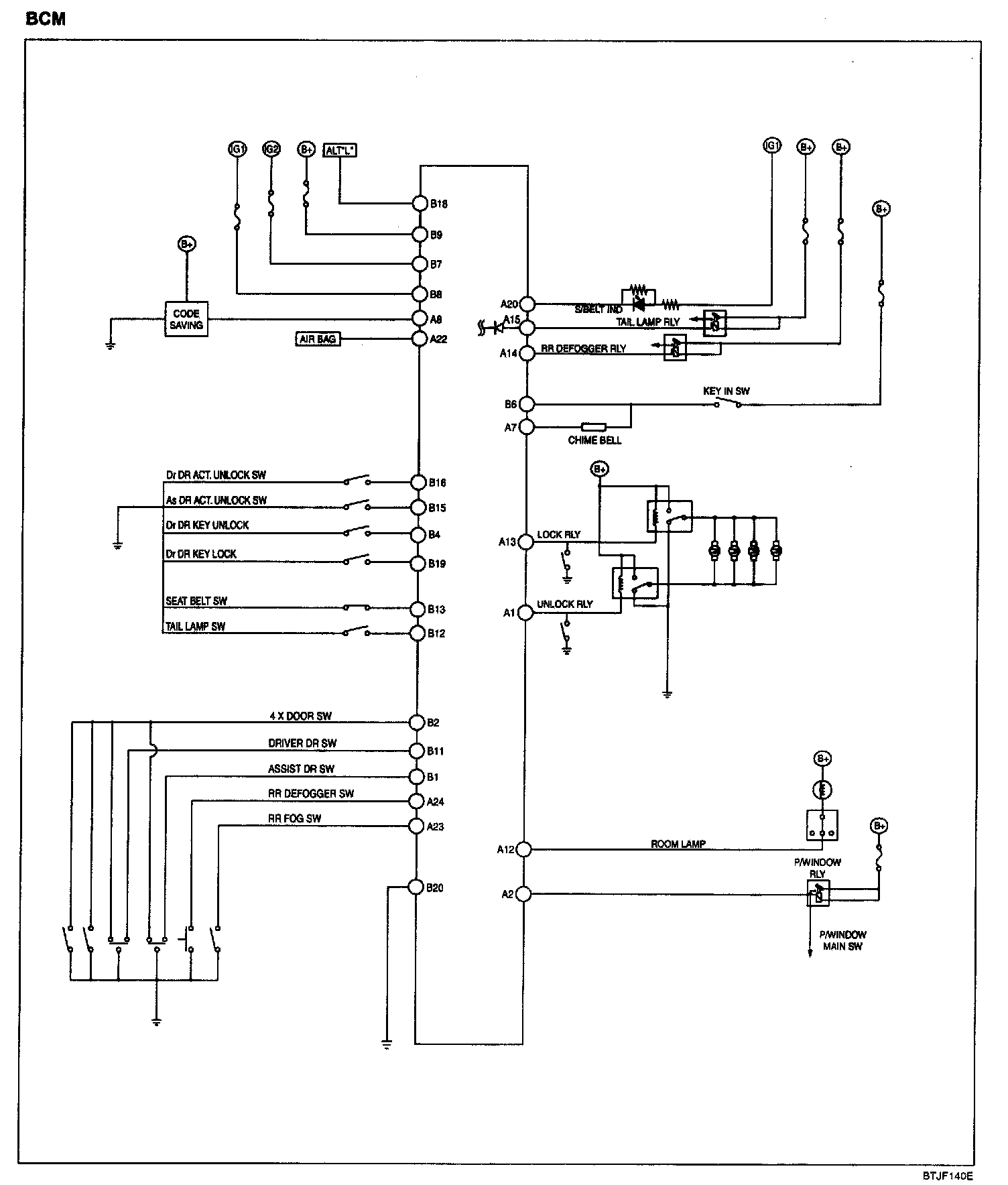
Circuit Diagram - BCM: