lemon-mirror:
Home >> Kia >> 2006 >> Rio L4-1.6L >> Repair and Diagnosis >> Diagrams >> Exploded Views >> Housing Assembly HVAC

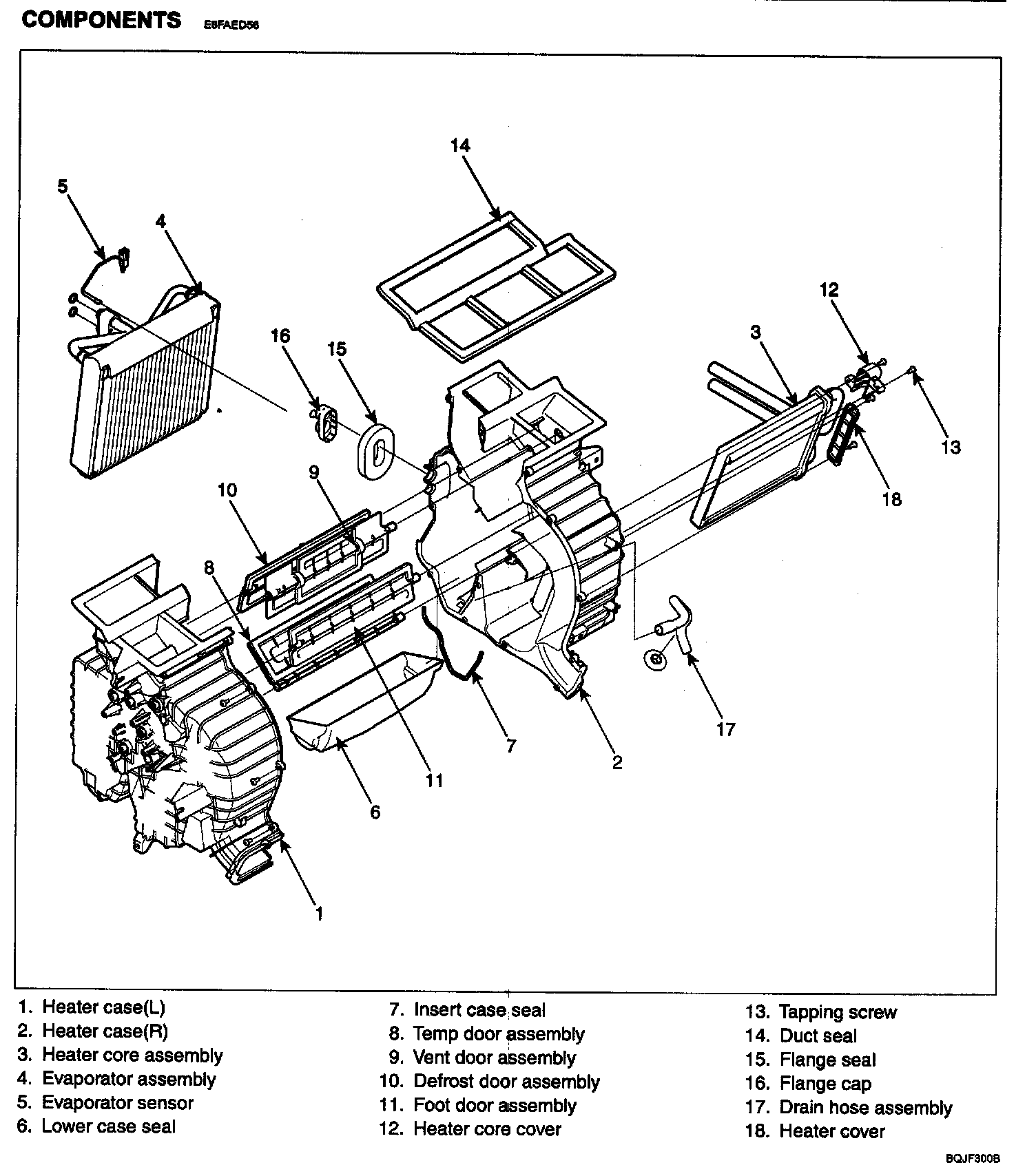
Housing Assembly HVAC

Heater Unit Components:



Heater Unit Components: