lemon-mirror:
Home >> Kia >> 2006 >> Rio L4-1.6L >> Repair and Diagnosis >> Diagrams >> Exploded Views >> Front Door

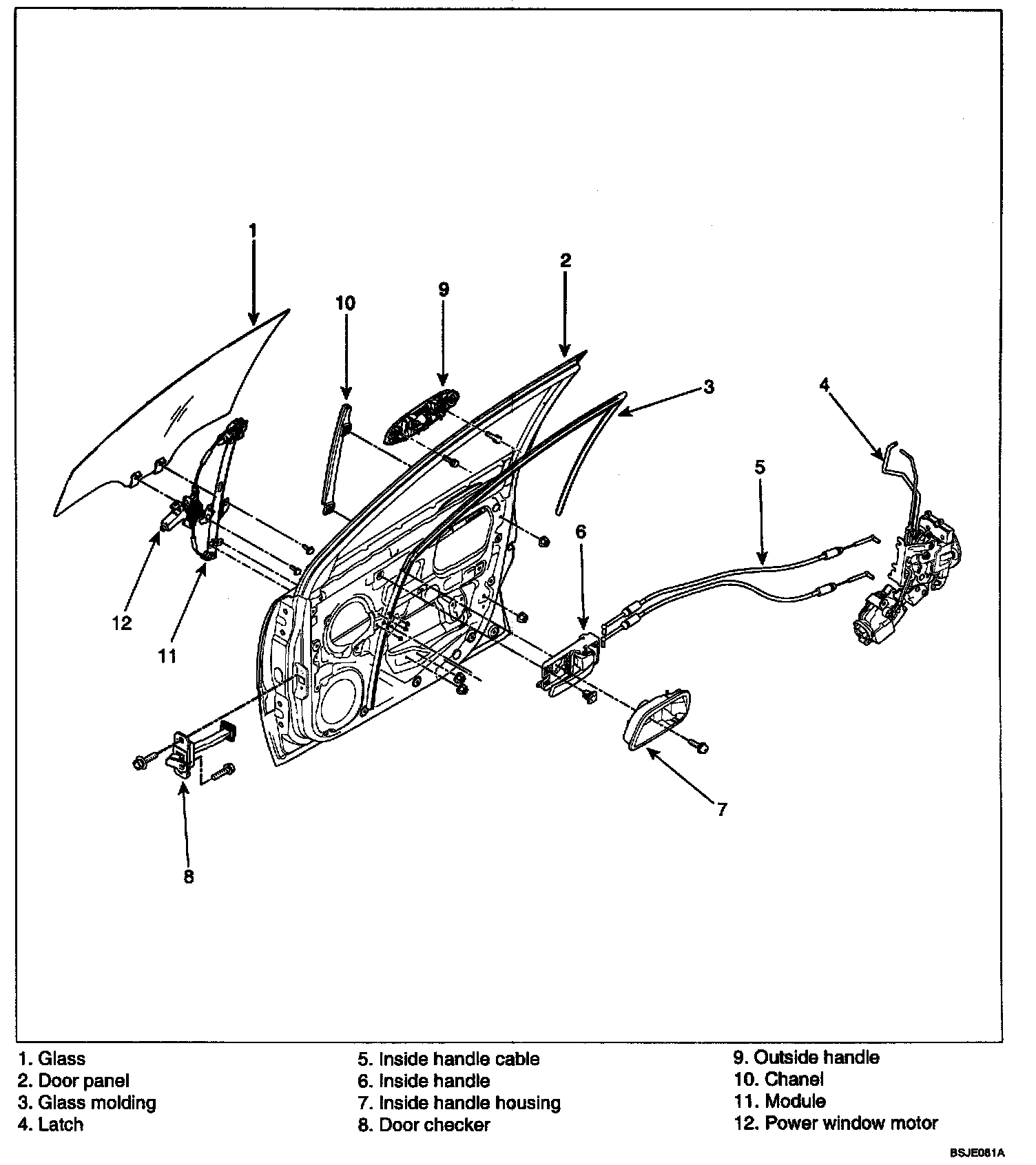
Front Door

Front Door Components:



Front Door Components: