lemon-mirror:
Home >> Kia >> 2006 >> Optima V6-2.7L VIN 8 >> Repair and Diagnosis >> Powertrain Management >> Computers and Control Systems >> Main Relay (Computer/Fuel System) >> Locations

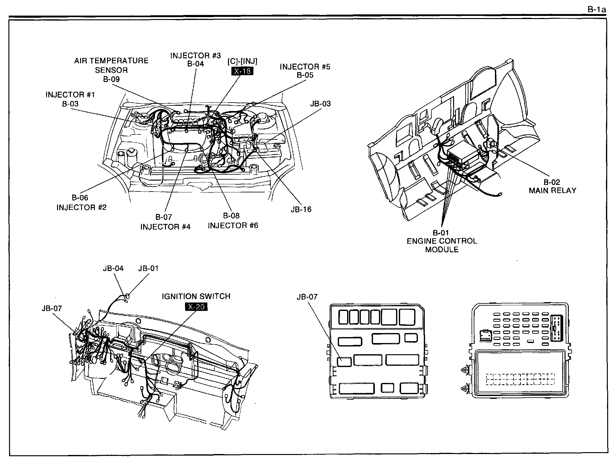
Main Relay (Computer/Fuel System): Locations

Routing View B-1a: