lemon-mirror:
Home >> Kia >> 2006 >> Optima V6-2.7L VIN 4 >> Repair and Diagnosis >> Powertrain Management >> Ignition System >> Spark Plug >> Service and Repair

Spark Plug: Service and Repair

REPLACEMENT

SPARK PLUG




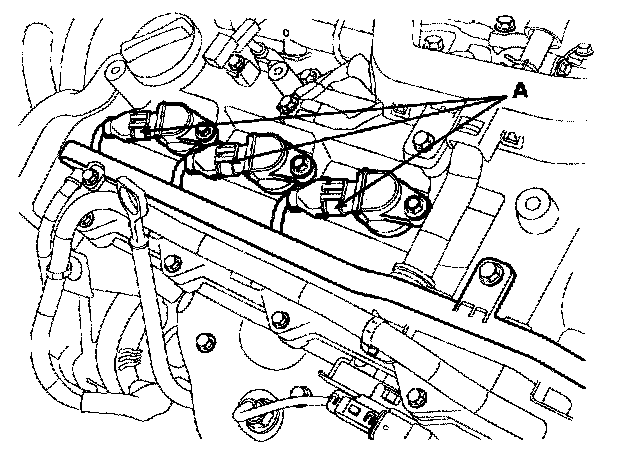
1. Remove the ignition coil connector (A).
2. Remove the ignition coil.
3. Using a spark plug socket, remove the spark plug.

CAUTION: Be careful that no contaminants enter through the spark plug holes.

4. When replacing the spark plug, always use the long reach type spark plug.
Do not use a short reach type.

1. Color Marking (Tip).
- [2.7L]
Unleaded : Yellow Marking
Leaded : Green Marking

- [Others]
Marking Color is different or does not exist

2. Length(Tip-Tip / PT Length).
- 2.7L: 83.2 mm/26.5 mm

- [Others]
The length is different from the specification above.

3. Part ID.
- [2.7L]
Unleaded : ILFR5B11
Leaded : LFR5A

INSPECT SPARK PLUG




Inspection Of Electrodes:




1. Inspect the electrodes and ceramic insulator (B).




2. Check the electrode gap (A).

Standard : 1.0 - 1.1 mm (0.0394 - 0.0433 in.)