lemon-mirror:
Home >> Kia >> 2006 >> Optima V6-2.7L VIN 4 >> Repair and Diagnosis >> Powertrain Management >> Computers and Control Systems >> Fuel Level Sensor >> Locations

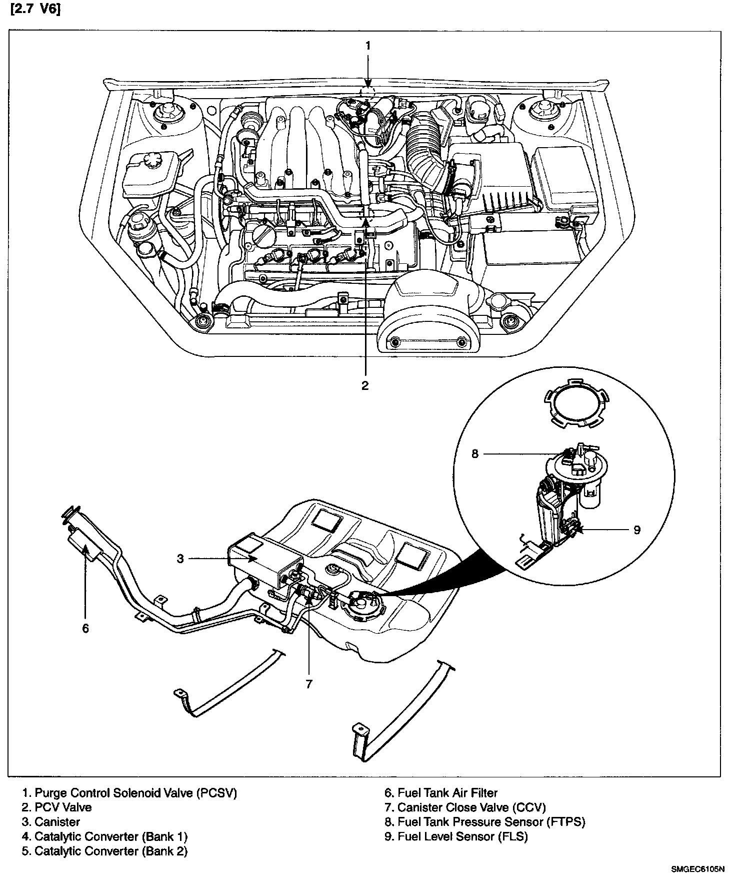
Fuel Level Sensor: Locations

Fuel Delivery System Component Location:



Component Location:





Component Location - 2.7 V6: