lemon-mirror:
Home >> Kia >> 2006 >> Optima L4-2.4L VIN 6 >> Repair and Diagnosis >> Diagrams >> Exploded Views >> Radiator

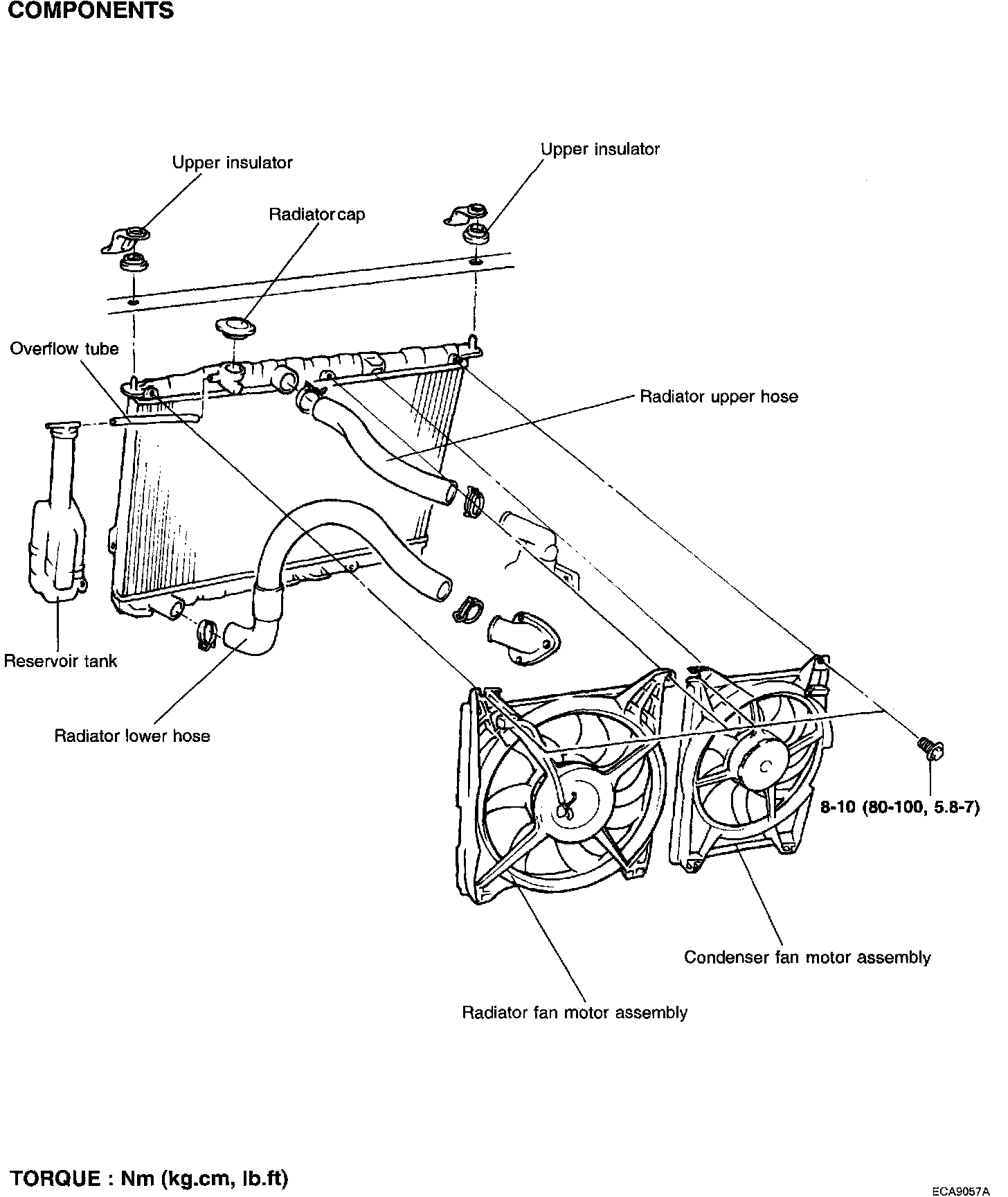
Radiator