lemon-mirror:
Home >> Kia >> 2006 >> Optima L4-2.4L VIN 3 >> Repair and Diagnosis >> Powertrain Management >> Computers and Control Systems >> Vehicle Speed Sensor >> Testing and Inspection

Vehicle Speed Sensor: Testing and Inspection

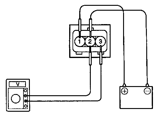
VEHICLE SPEED SENSOR
1. Connect the positive (+) lead from battery to terminal 1 and negative (-) lead to terminal 2.
2. Connect the positive (+) lead from tester to terminal 3 and the negative (-) lead to terminal 2.
3. Rotate the shaft.
4. Check that there is voltage change from approx. 0 V to 11 V or more between terminals 3 and 2.




5. The voltage change should be 4 times for every revolution of the speed sensor shaft.
If operation is not as specified, replace the sensor.