lemon-mirror:
Home >> Kia >> 2006 >> Optima L4-2.4L VIN 3 >> Repair and Diagnosis >> Powertrain Management >> Computers and Control Systems >> Fuel Level Sensor >> Locations

Fuel Level Sensor: Locations

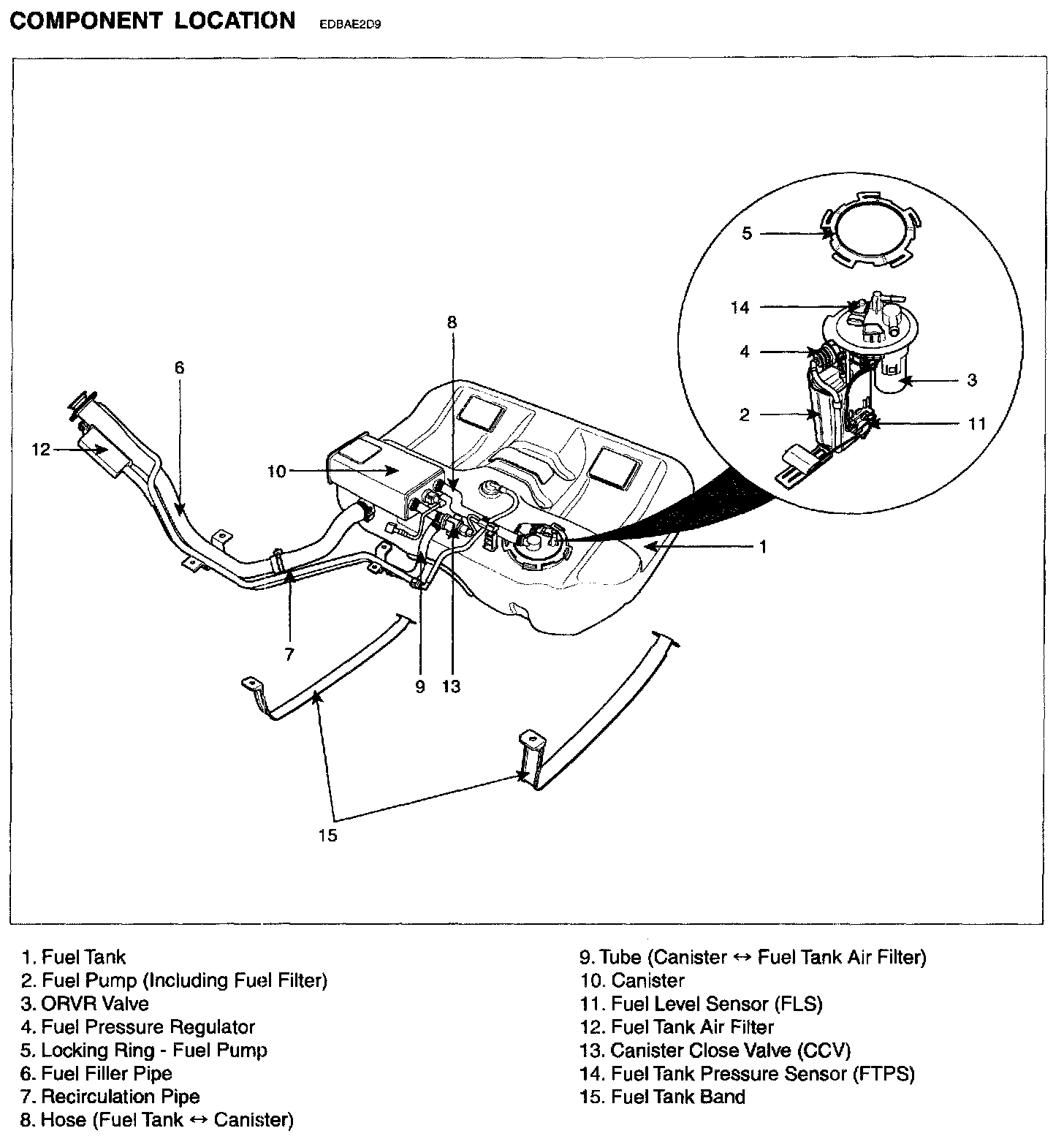
Fuel Delivery System Component Location:



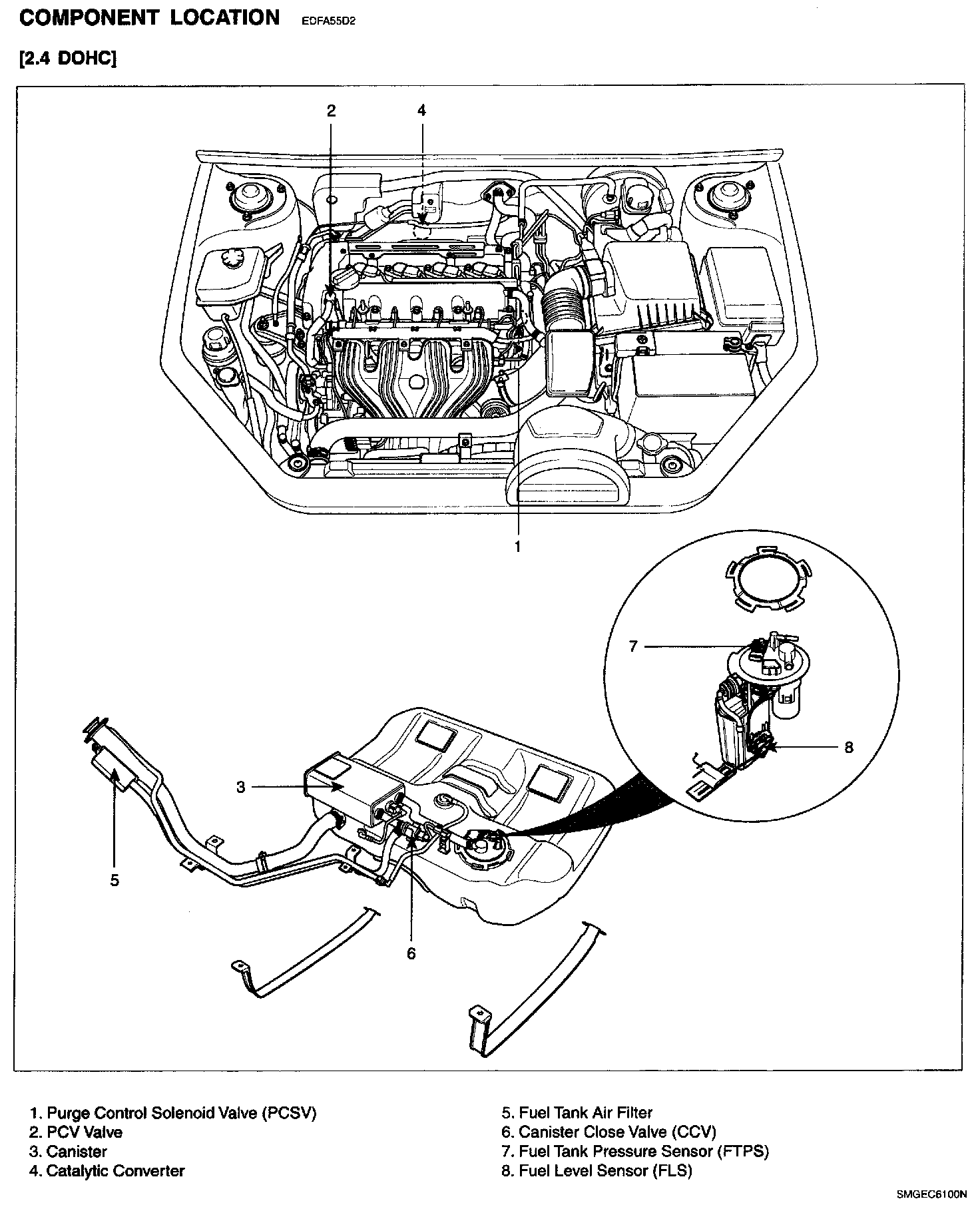
Component Location - 2.4 DOHC: