lemon-mirror:
Home >> Kia >> 2006 >> Amanti V6-3.5L >> Repair and Diagnosis >> Diagrams >> Exploded Views >> Radiator

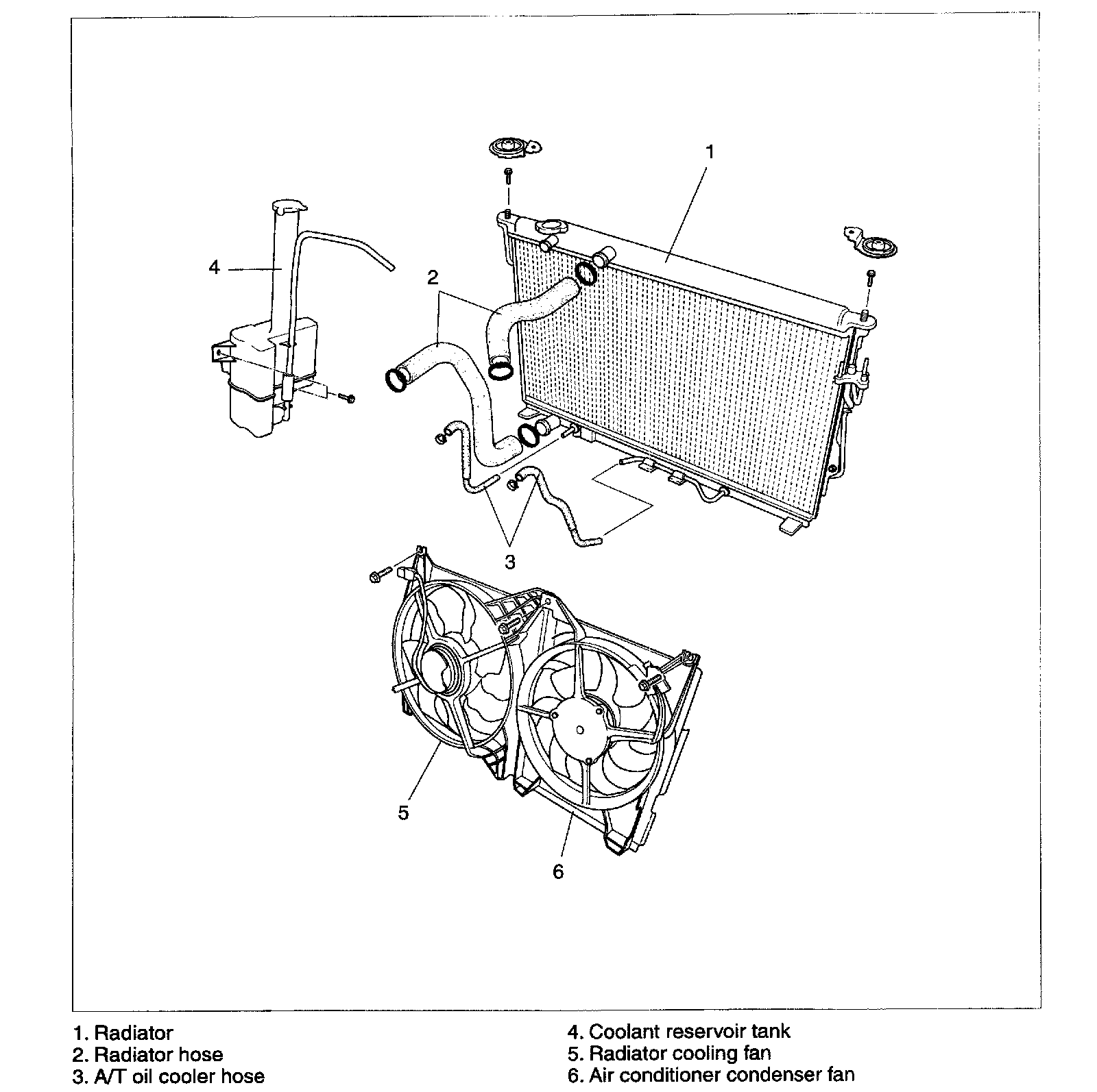
Radiator





RADIATOR