lemon-mirror:
Home >> Kia >> 2006 >> Amanti V6-3.5L >> Repair and Diagnosis >> Body and Frame >> Body Control Systems >> Body Control Module >> Description and Operation >> General Operation

General Operation

GENERAL OPERATION

1. Wiper and washer control(Rain sensor).
2. Lamp control(Head lamp, Tail lamp, Fog lamp, Stop lamp, Daytime running light, Turn signal lamp, Auto light).
3. Buzzer and timer control.
4. Multi-mode keyless entry function.
5. Immobilizer (refer to the immobilizer system).
6. Self diagnostic function.

WIPER AND WASHER CONTROL (RAIN SENSOR)

WIPER CONTROL

1. Low speed control
In IGN2 ON State, if there is wiper low input (LIN communication), then wiper low relay output is turned ON.

2. High speed control
In IGN2 ON State, if there is wiper high input (LIN communication), then both wiper low and wiper high relay outputs are turned ON.

3. Speed sensing int wiper (without rain sensor option) Vehicle speed and int time volume control the interval time of int wiper.
In IGN2 ON State, if there is wiper int input (LIN communication), then wiper is controlled by vehicle speed and wiper int.




4. Wiper control by mist SW(multi-function SW)
In IGN2 ON state, if mist SW input is ON then wiper low relay output is turned ON until mist SW is OFF.

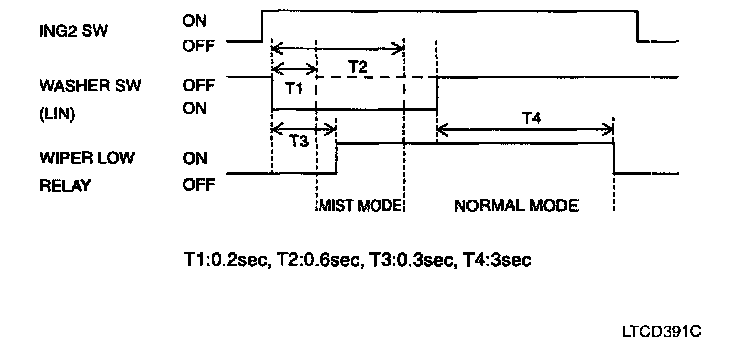
WIPER MOTOR CONTROL FOR WASHER




1. Mist mode washing(washer SW input : 0.2 sec - 0.6 sec)
a. Washer SW is OFF
b. If the duration of washer SW input is measured from 0.2 sec to 0.6 sec.
c. After T3, the wiper low relay output is ON for 0.7 sec. (For 1 Time wiping)

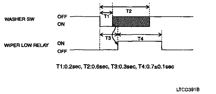
2. Nominal mode washing(washer SW input : more 0.6 sec)
1. Condition 1
a. Washer SW is OFF
b. If washer SW is ON more than 0.6 sec.
c. The wiper activation output is on after T3(0.3 sec)




2. Condition 2
a. Nominal mode washing & washer SW on.
b. If washer SW is OFF.
c. The wiper motor stops wiper after 2.5 - 3.8 sec later.
(Wiper low relay is OFF after 3 sec later)

3. Washer function during wiper int. mode
1. Condition 1
a. IGN2 SW ON & wiper int mode.
b. If washer SW is ON more than 0.6 sec.
c. The wiper activation output is on after T3(0.3 sec.)

2. Condition 2
a. Washer mode (During wiper int.)
b. If washer SW is OFF
c. The wiper motor will stop wiper after 2.5 - 3.8 sec later.
(Wiper low relay is OFF after 3 sec later)
(i.e.Resume wiper int.mode after 2.5 sec - 3.8 sec)




3. Condition 3
a. Wiper int.mode.
b. The duration of wiper SW input is measured from 0.2 sec to 0 6 sec.
c. After T3, the wiper low relay output is ON for 0.7 sec.

HEAD LAMP WASHER FUNCTION (FOR CANADA ONLY)

1. In case of IGN2 = ON & TAIL LAMP = ON status, if head lamp washer switch input is detected, head lamp washer output is turned ON.




2. In case of IGN2 = ON & HEAD LAMP = ON status, if washer switch input is detected, head lamp washer output is turned ON.

RAIN SENSING WIPER (FOR CANADA ONLY)

In IGN2 ON state, if auto SW input (UN communication) is ON then both wiper low relay and wiper high relay outputs are controlled by the rain sensor input signal 1 When the wiper switch is moved to auto position and the Ignition switch is in IGN2 position, the Rain sensor is considered to be in "automatic" mode




1. If the wiper switch has been left in automatic mode with the vehicle ignition OFF, and then the vehicle ignition switch is turned on, a single wipe will be performed.




2. A single wipe will be performed whenever rain has been detected(Rain Detected signal from Rain sensor) and the wiper switch is moved to the AUTO position. But a single wipe will not be performed when the wiper switch is moved to the AUTO position and OFF signal is being received from Rain sensor But if the wiper switch is moved to AUTO position for the first time since vehicle ignition switch is turned on then a single wipe will be performed regardless of rain detected or OFF signal.




3. Sensitivity Adjustment Function (Instant Wipe Function)
The drive may adjust the rain sensor performance by adjusting the sensitivity input When in AUTOMATIC mode, the BCM will perform a single wipe each time the sensitivity is adjusted upward to a more sensitive setting(downward more then one step). This single wipe will only be performed if Rain Detected signal is being received from the Rain sensor. If the sensitivity adjustment is adjusted upward more than one sensitivity, the BCM will only perform a single wipe unless the time between Increases is more than 2 seconds.

LAMP CONTROL (HEAD LAMP, TAIL LAMP, FOG LAMP, DAYTIME RUNNING LIGHT, STOP LAMP, TURN SIGNAL LAMP, AUTO LIGHT)

TAIL LAMP AUTO CUT

1. General control
In battery ON State, if tail SW input is ON, tail lamp relay output is ON.




2. Tail lamp auto cut
The auto-cut strategy ensures that tail lamps are turned off even if the driver forgets to turn them off. The tail lamp is turned On by tail SW after door warning SW (KEY IN) ON, then after if the user sets door warning SW (KEY IN) OFF and opens the driver side door, the tail lamp is automatically cut. Also at the state door warning SW(KEY IN) ON, when door warning SW(KEY IN) is turned OFF after opens the driver side door, the tail lamp is automatically cut. (The switch detection sequence of door warning SW (KEY IN) and driver door SW is ignored.) After" AUTO CUT" , the " AUTO CUT" function is disabled and tail lights are turned On if the driver turns ON the tail SW or key in.
If tail lamps are turned ON again by key in SW or tail lamp SW, the AUTO CUT function is disabled.

HEAD LAMP CONTROL

1. In IGN1 ON State, if there is head lamp low SW input (LIN communication), head lamp low relay output is turned ON.

2. In IGN1 ON State, If head lamp high SW input (LIN communication) and head lamp low relay is detected then head lamp high relay output is turned ON. Which means the head lamp high relay and also the head lamp high indicator on the cluster.

3. In IGN1 ON State, If head lamp passing input (LIN communication) is detected then head lamp high relay output and head lamp low relay are turned ON.

AUTO LIGHT CONTROL




In the state of IGN1 On, when multi function SW module detects auto light SW on, tail lamp relay output and head lamp low relay output are controlled according to auto light sensor's input.
The auto light control doesn't work if the pin sunlight supply ( 5V regulated power from Ignition 1 power to sunlight sensor) is in short circuit with the ground.
If IGN1 = ON, The BCM monitors the range of this supply and raises up a failure as soon as the supply' s voltage is out of range. Then this failure occurs and as long as this is present, the head lamp must be turned on without taking care about the sunlight level provided by the sensor.
This is designed to prevent any head lamp cut off when the failure occurs during the night.

FRONT FOG LAMP CONTROL




In case of IG1 and head lamp low output = ON status, if front fog SW input is detected (LIN communication), front fog lamp relay output is turned ON.

DAYTIME RUNNING LIGHT CONTROL (FOR CANADA ONLY)

1. The DRL uses high beam of the head lamp.




2. Release condition:
Head lamp low activated by M/P or Head lamp high activated by M/F or parking brake on

NOTE: Head lamp or low/tail lamp outputs include cases of activation by switches and also by auto light.

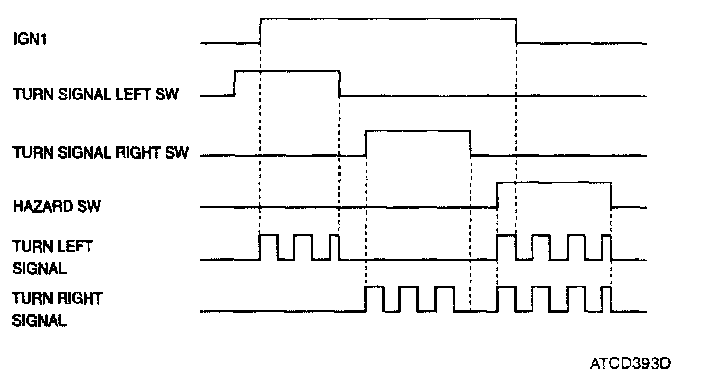
TURN SIGNAL AND HAZARD CONTROL




1. Normal operating condition
Turn signal period: 85+/-10 period/min
While IGN2 is on, if turn signal left SW or turn signal right SW or hazard SW input is detected, then turn signal outputs are turned ON following the switch input (left, right or hazard)

NOTE: Priority hazard > turn signal




2. Lamp failure condition
When one of the front or rear is broken-down (Lamp failure), the turn signal blinks with double frequency The double blinking works at IGN2 ON condition, double blinking for Hazard Except side lamp, if any error condition is detected then triggered the double blinking.
Period: More than 120 Cycle/min

STOP LAMP FAILURE CONTROL




The purpose of this function is to indicate stop lamp(s) failure and brake fuse failure Depending on foot brake pedal switch input, brake fuse and lamp failure is detected In IGN1 ON State, when stop lamp fuse is failed (stop lamp failed = ON) or when a stop lamp failure is detected (stop lamp fuse failed = ON), then indicator lamp output is turned ON.
When Brake pedal is pedaled, the stop lamp failure is detected. The stop lamp failure is confirmed after a delay of 200 ms. When the failure disappears the present failure is cleared thanks to the fault manager.

BUZZER AND TIMER CONTROL

BUZZER CONTROL

SOUND PRIORITY

- 1 st: Diagnostic sound (provided to test the Buzzer by way of Diagnostic tool)
- 2nd : Seatbelt warning
- 3th : Key operated warning
- 4th : Key learning sound (Learning with diagnostic tool)

1. SEAT BELT WARNING TIMER

1. Seat belt warning lamp and warning sound stop at IGN1 OFF during the operation. With a seat belt SW on, warning sound stops immediately but seat belt warning indicator continues working for the remained time.
2. Warning lamp and warning sound are always activated for one period if seat belt is released after seatbelt was fastened during IGN1 ON status.
3. If IGN1 is turned OFF during seat belt warning, the seat belt warning indicator and buzzer stops immediately.




4. Whether the seat belt is fasten or not, BCM detected IGN ON signal. Seat belt warning Indicator should be triggered for defined timing but buzzer warning should follow the status of seat belt switch.




2. Key learning sound
When each Key's learning is ended, magnetic buzzer is operated, every one time.

3. Key operated warning (Key reminder warning)
1. While IGN KEY is inserted into the key cylinder or ACC is on or IGN2 is on or IGN1 is on, if driver side door is opened. Key operated warning starts.
2. If the key is pulled out from key cylinder and ACC = IGN2 = IGN1 = OFF, or if driver side door is closed, then the key operated warning stops immediately.




3. Duration : Permanent (The key operated warning continues permanently if the condition has not changed)

IGN KEY HOLE ILLUMINATION

1. Turn On Condition
a. IGN2 OFF
b. Door open ((front left door SW = ON) OR (front right door SW = ON))
c. IGN key hole illumination is turned on key hole illumination = ON

2. 10 sec illumination condition
a. Turn on condition
b. Door close ((front left door SW = OFF) and (front right door SW = OFF))
c. The IGN key hole is illuminated for 10 sec.
If doors open again during 10 sec illumination, the turn ON condition starts again.




3. Illumination stops condition
a. IGN key hole is illuminated
b. IGN ON or Entered arm mode by RKE
c. IGN key hole illumination is turned off immediately key hole illumination = OFF

DEFROSTER TIMER

1. Condition 1
a. Alternator level high & defroster is OFF
(Defroster relay = OFF and defogger activity = OFF)
b. Defroster is activated (defroster SW = ON)
c. Defroster outputs are turned ON

2. Condition 2
a. Alternator level high & defroster is ON
b. Defroster SW Input pushed again or T1 delay has elapsed since defroster has been turned on
c. Defroster outputs are turned OFF




3. Condition 3
If alternator input is changed to low, defroster outputs should be turned OFF immediately.

DECAYED ROOM LAMP

1. Condition 1
a. (IGN1 is OFF) & (door are closed) & (room lamp is OFF)
b. A door is opened more than 0.1 sec (all door not closed = ON)
c. Room lamp is turned ON

2. Condition 2
a. (IGN1 is OFF) & (a door at least is open)
b. All door are closed (all door not closed = OFF)
c. The power of room lamp is reduced from 100% to 75% to indicate that the door is closed. And then the lamp is slowly decayed off during 5 - 6 sec.

3. Condition 3
a. (IGN1 is OFF) & (room lamp is decaying)
b. IGN1 ON
c. Stop decaying operation immediately

4. Condition 4
a. (Room lamp is OFF) & (IGN1 is OFF) & (door are closed).
b. Unlock by RKE.
c. Room lamp is turned ON for 30 sec.

NOTE: While room lamp is turned ON by UNLOCK by RKE signal (for 30 sec), if UNLOCK by RKE input is acquired again. Room lamp timer should be initialized to 30sec




5. Condition 5
a. UNLOCK by RKE & Room lamp is ON or door are closed & room lamp is decaying.
b. If the vehicle has changed to ARM state by lock by RKE.
c. Room lamp is turned OFF, immediately.

MULTI-MODE KEYLESS ENTRY FUNCTION




1. Door lock function
If LOCK SW on RKE is pushed, LOCK data is sent to door module.
Door module controls the lock output.




2. Door unlock function
If unlock SW on RKE is pushed, unlock data is sent to door module.
Door module controls the unlock output.

3. Trunk open function
If the trunk open data frame has been received by BCM, the trunk open relay is driven for 0.2sec (Trunk release on time)

NOTE:
- This function is inactivated state during trunk motor inhibition time on reset (default 0.2 sec) after reset.
- If door is lock state, trunk can not be opened by external trunk open SW or trunk lid open SW.





- During trunk open state, if the BCM receives the trunk release command via CAN, external trunk open SW, RKE than the BCM does not take trunk release action.

NOTE: If key is inserted in IGN key cylinder, keyless function is disabled.