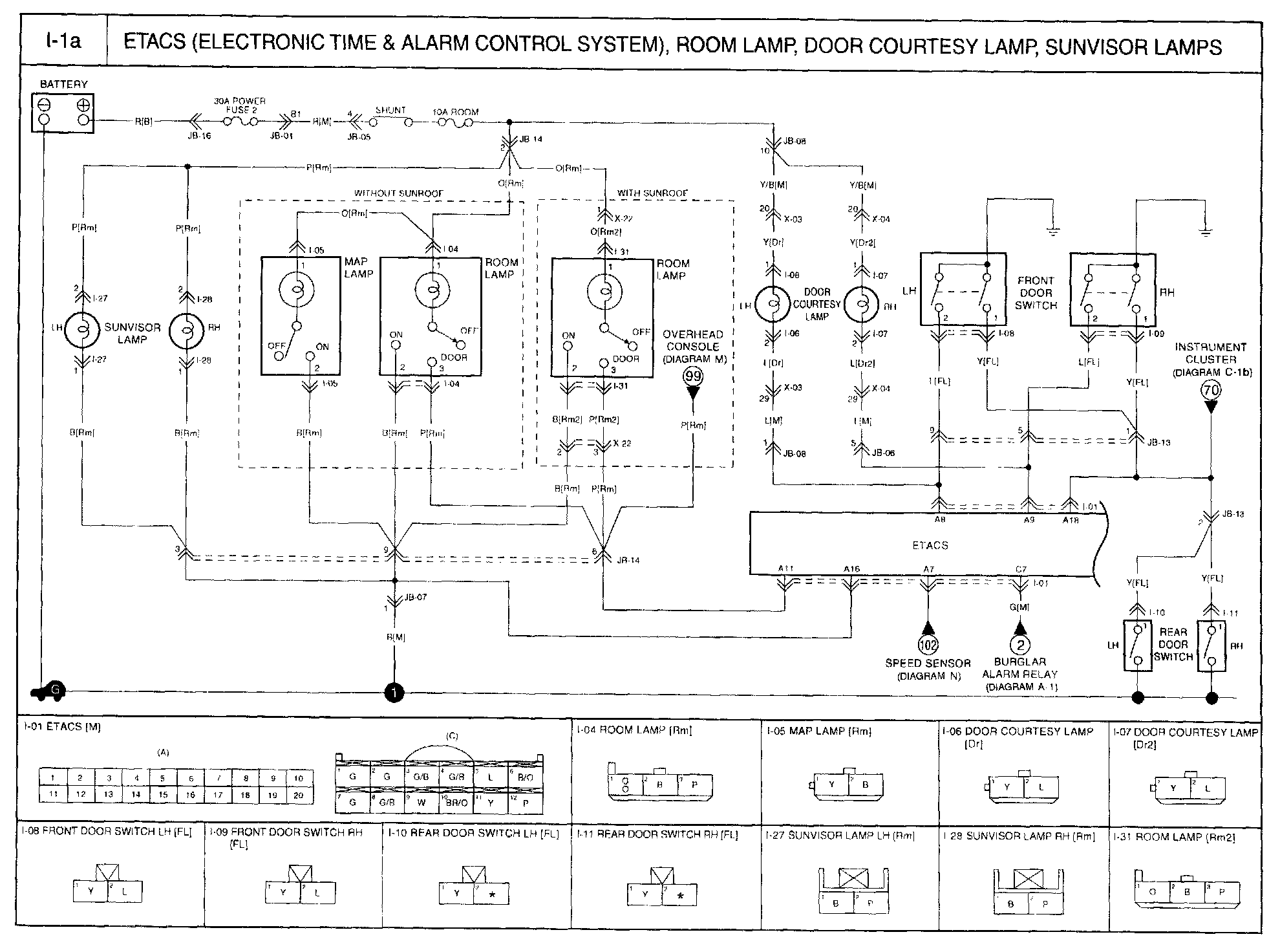
lemon-mirror:
Home >> Kia >> 2005 >> Optima V6-2.7L >> Repair and Diagnosis >> Power and Ground Distribution >> Timer/Control Unit >> Diagrams >> I-1a

I-1a

Diagram I-1a:





Routing View I-1a:






Diagrams: Other diagrams referred to by name within these diagrams can be found at Diagrams by Diagram Name. Diagrams By Diagram Name