lemon-mirror:
Home >> Kia >> 2005 >> Amanti V6-3.5L >> Repair and Diagnosis >> Powertrain Management >> Computers and Control Systems >> Fuel Level Sensor >> Locations

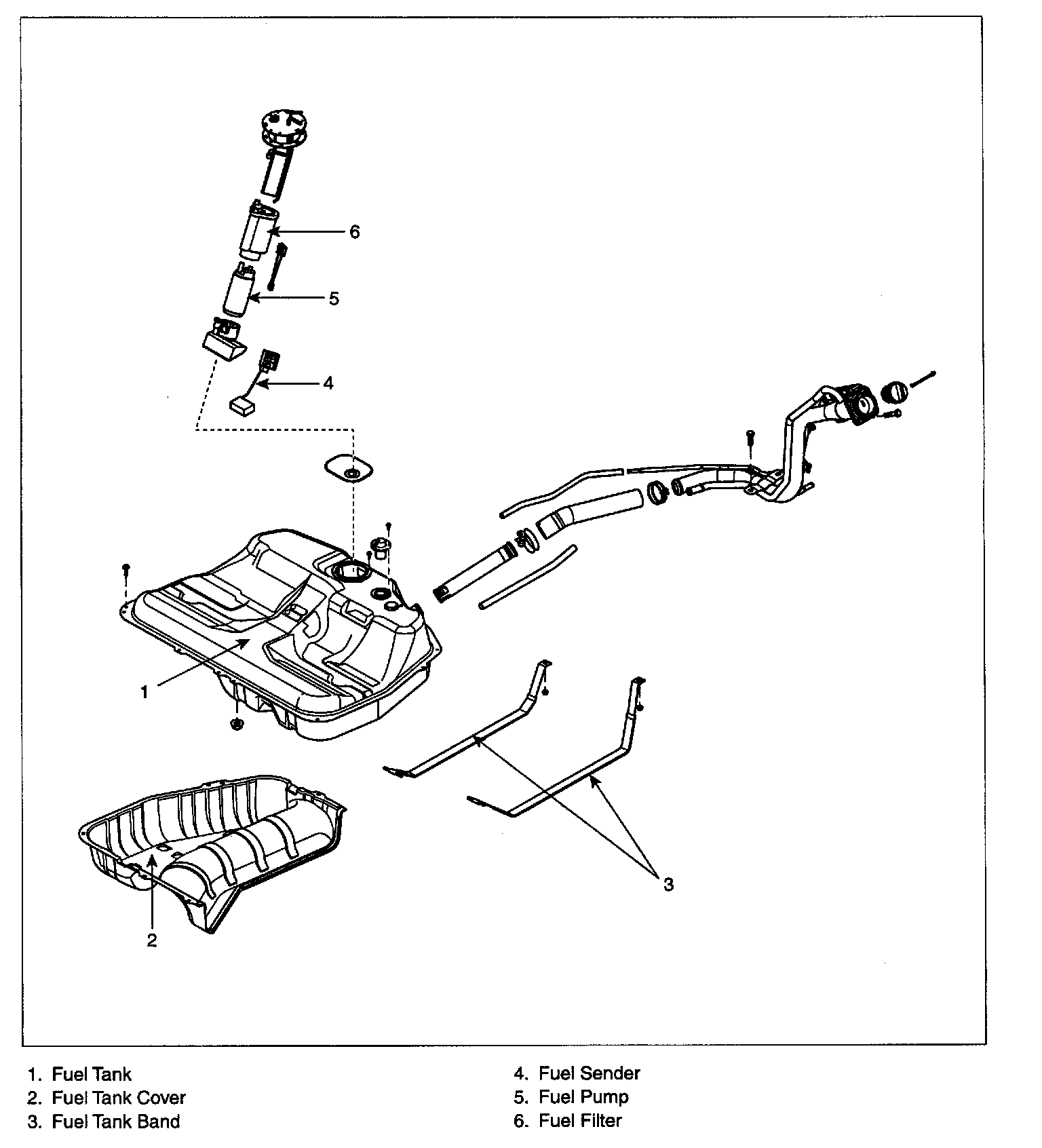
Fuel Level Sensor: Locations

Components Location: