lemon-mirror:
Home >> Kia >> 2004 >> Spectra L4-1.8L >> Repair and Diagnosis >> Diagrams >> Exploded Views >> Engine >> Timing Components >> Timing Belt

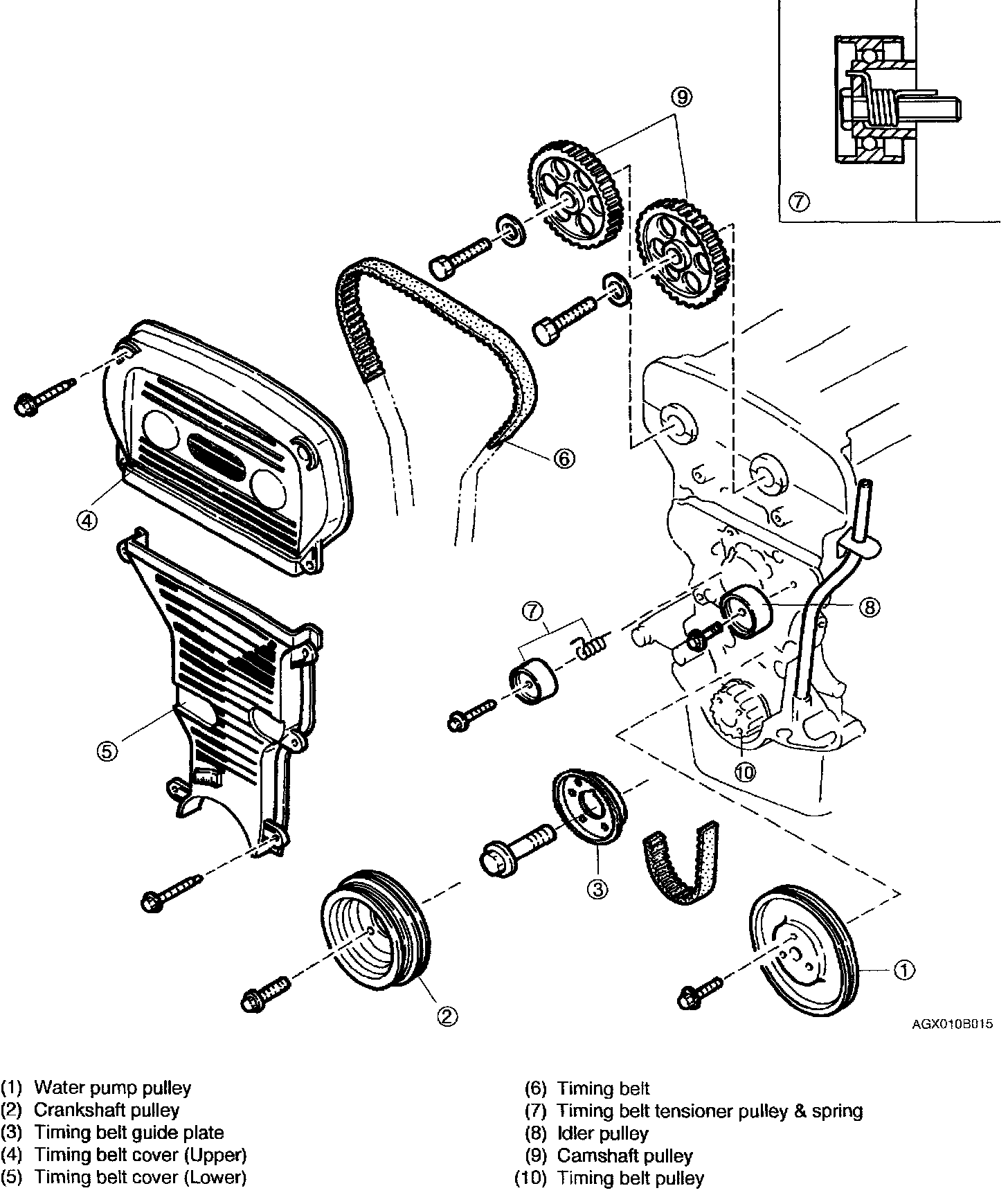
Timing Belt