lemon-mirror:
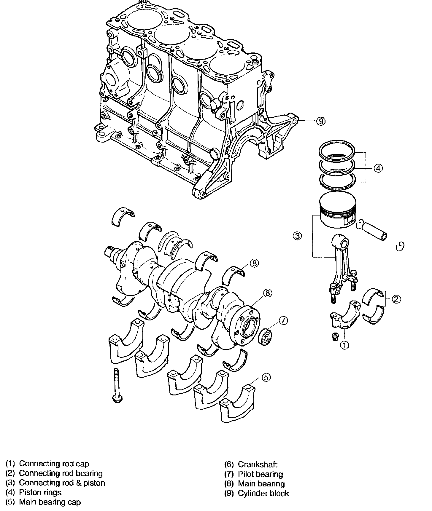
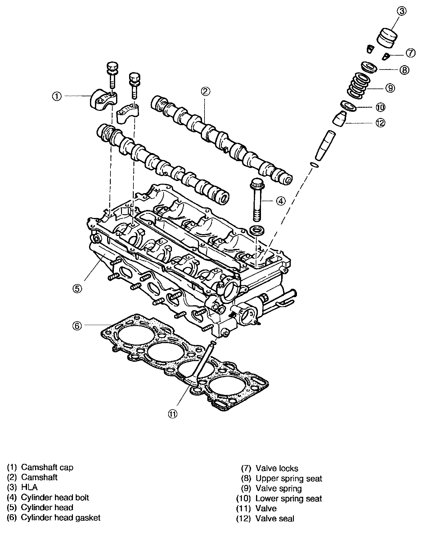
Home >> Kia >> 2004 >> Spectra L4-1.8L >> Repair and Diagnosis >> Diagrams >> Exploded Views >> Engine >> System Diagram

System Diagram