lemon-mirror:
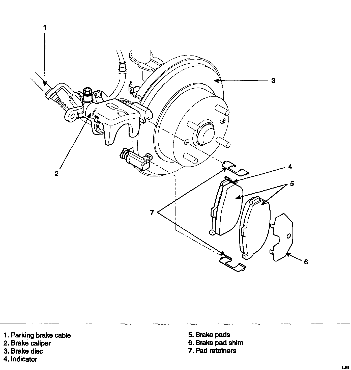
Home >> Kia >> 2004 >> Spectra L4-1.8L >> Repair and Diagnosis >> Diagrams >> Exploded Views >> Disc Brake System >> Brake Pad >> Rear

Rear