lemon-mirror:
Home >> Kia >> 2004 >> Spectra L4-1.8L >> Repair and Diagnosis >> Diagrams >> Connector Views >> Engine Control Module

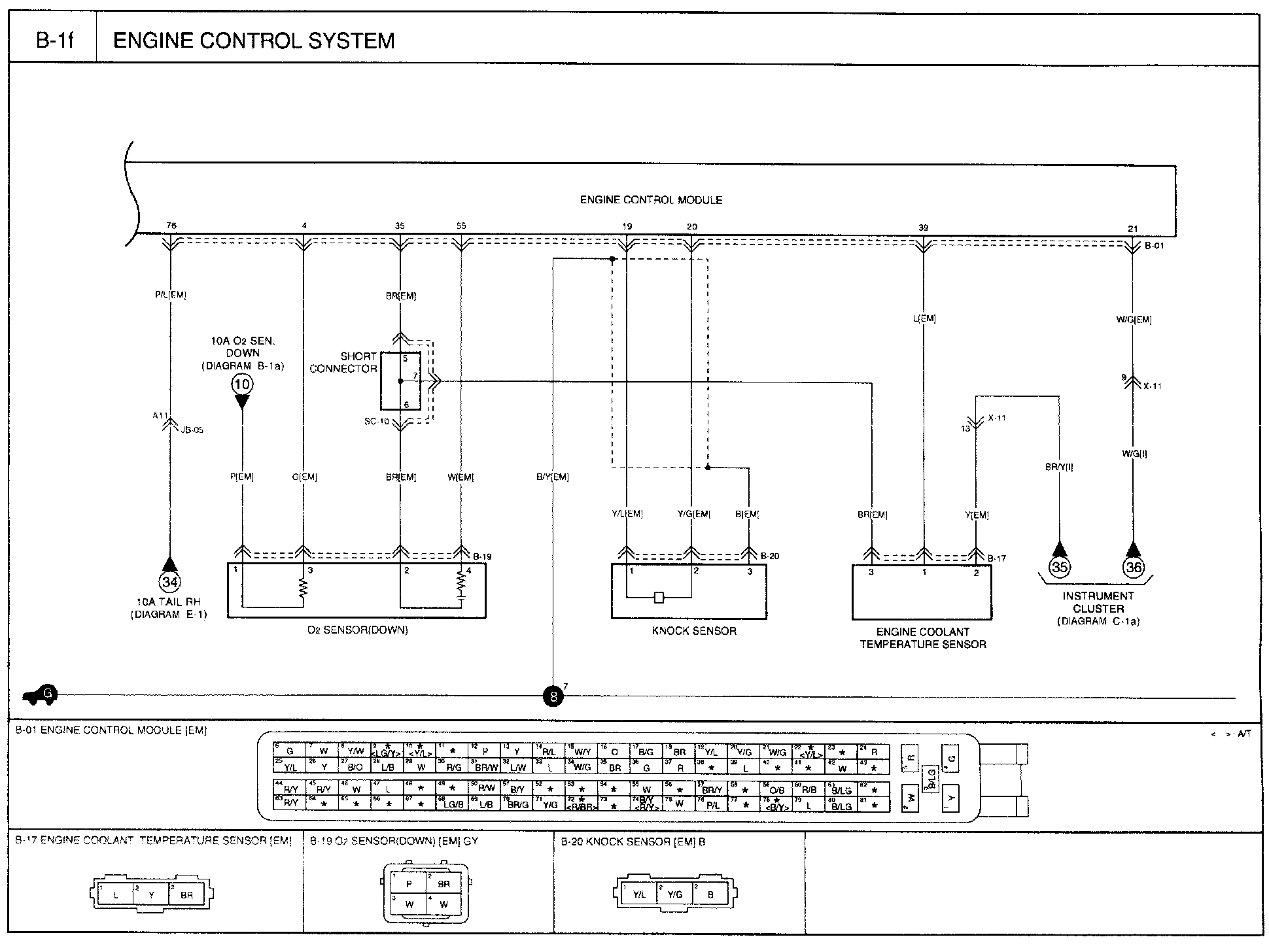
Engine Control Module

Diagram B-1f:



Pin No. 1 - 12:



Pin No. 13 - 28:



Pin No. 29 - 49:



Pin No. 50 - 68:



Pin No . 69 - 81: